EasyManua.ls Logo

Hyundai Elevator WBVF - Page 17

Default Icon
99 pages
Print Icon
To Next Page IconTo Next Page
To Next Page IconTo Next Page
To Previous Page IconTo Previous Page
To Previous Page IconTo Previous Page
Loading...
WBVF
A
INSTALLATION MANUAL
FOR ELECTRICAL PARTS
Doc. No
Ver.
Date
Page
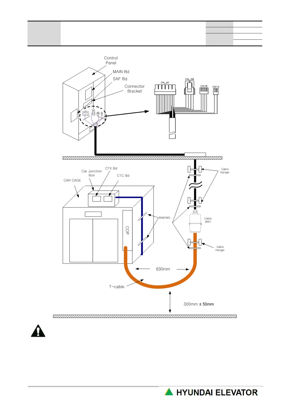
Voice speaker and 3-way S/W should be connected from the top of CAR
to the bottom of COP.

Table of Contents

Related product manuals