EasyManua.ls Logo

IAI PCON-C - Page 40

IAI PCON-C
205 pages
Print Icon
To Next Page IconTo Next Page
To Next Page IconTo Next Page
To Previous Page IconTo Previous Page
To Previous Page IconTo Previous Page
Loading...
22
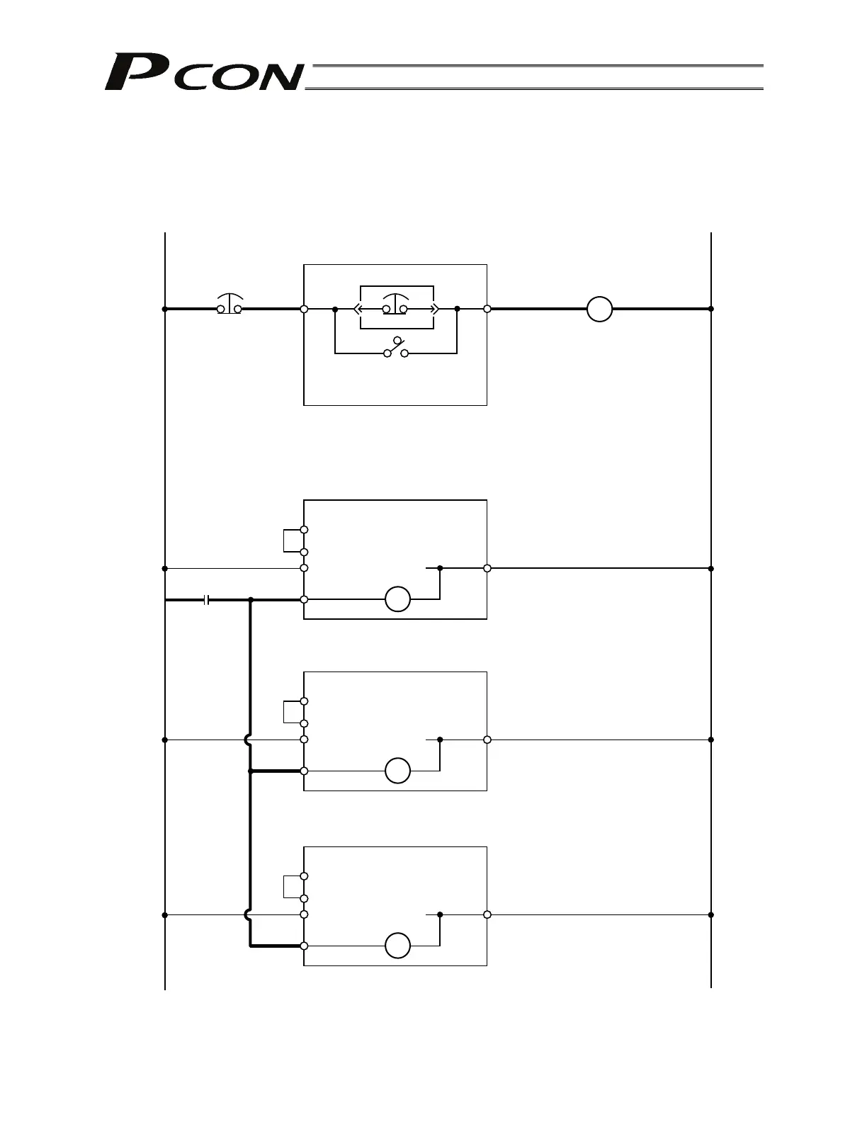
Connecting the teaching pendant to a SIO converter
Configure the contact circuit for the EMG switch on the teaching pendant using EMG1/EMG2 on the
power/emergency-stop terminal block on the SIO converter.
(S1/S2 on the controller’s terminal block are not used.)
EMG2 EMG1
CR
ON
OFF
MPI
MPO
24V
EMG-
0V
MPI
MPO
24V
EMG-
0V
MPI
MPO
24V
EMG-
0V
CR
EMG signal
Teaching pendant
24V 0V
[Controller 1]
[Controller 2]
[Controller 3]
SIO converter
Port switch
Relay
Relay
Relay

Table of Contents

Related product manuals