EasyManua.ls Logo

IAI XSEL - Page 81

IAI XSEL
566 pages
Print Icon
To Next Page IconTo Next Page
To Next Page IconTo Next Page
To Previous Page IconTo Previous Page
To Previous Page IconTo Previous Page
Loading...
59
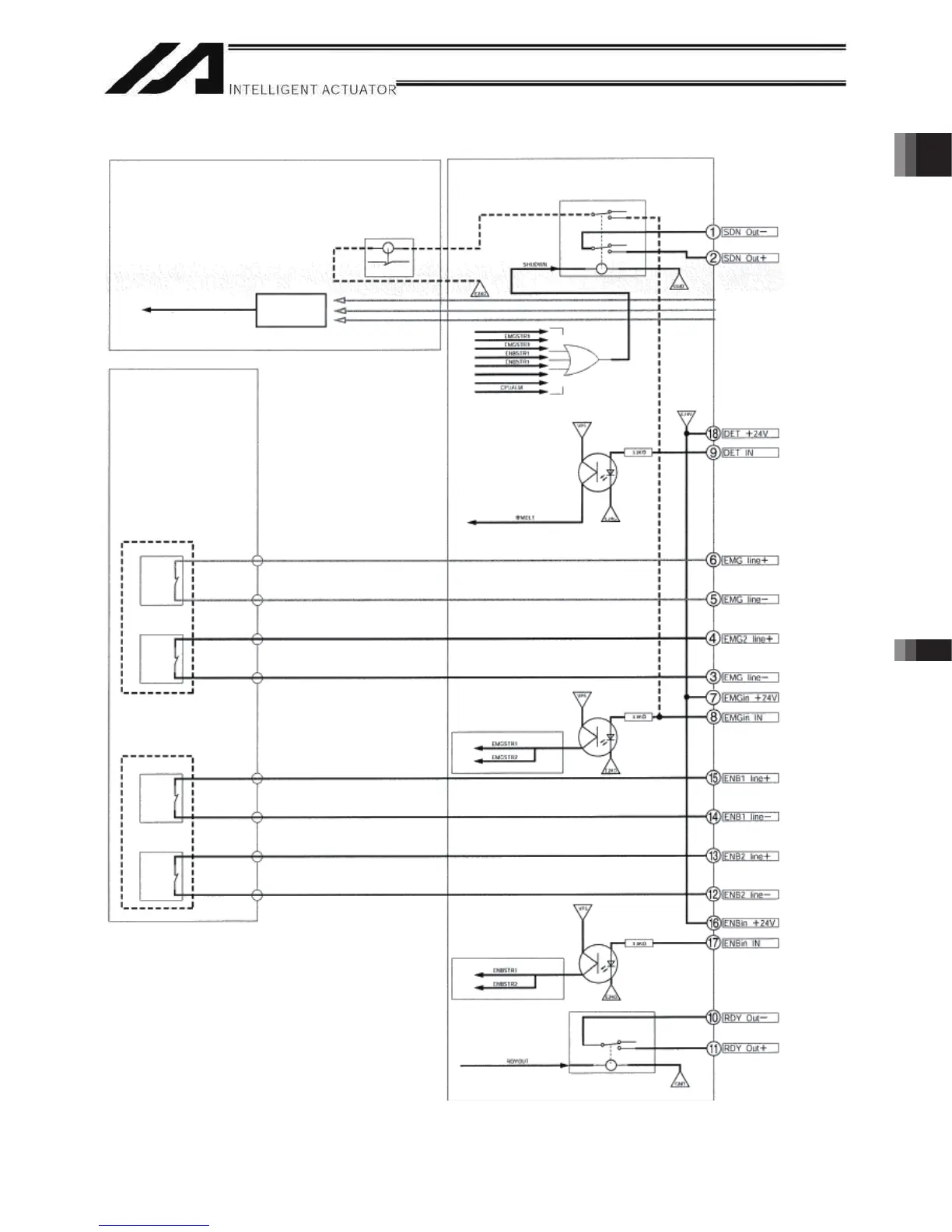
Part 1 Installation Chapter 6 Safety Circuit
Part 1 Installation
Q/QCT Type XSEL Controller
Power supply part Digital control part
Not installed
AC cutoff relay
Rectifier
DC bus
To power stage
External
emergency-stop
reset contact output
Teaching pendant
Power-on reset
MPSDWN bit
Power error
Mushroom emergency-
stop swit
ch
EMG SW
contact 1
EMG SW
contact 2
Double-position enabling-
control switch
DEADMAN
SW
contact 1
DEADMAN
SW
contact 2
Emergency-stop status
Enable status
Contact Rating: 0.2A max.
(for inductive load)
Contact Rating: 0.2A max.
(for inductive load)

Table of Contents

Related product manuals