EasyManua.ls Logo

IBM 6400 - Page 274

IBM 6400
422 pages
To Next Page IconTo Next Page
To Next Page IconTo Next Page
To Previous Page IconTo Previous Page
To Previous Page IconTo Previous Page
Loading...
274
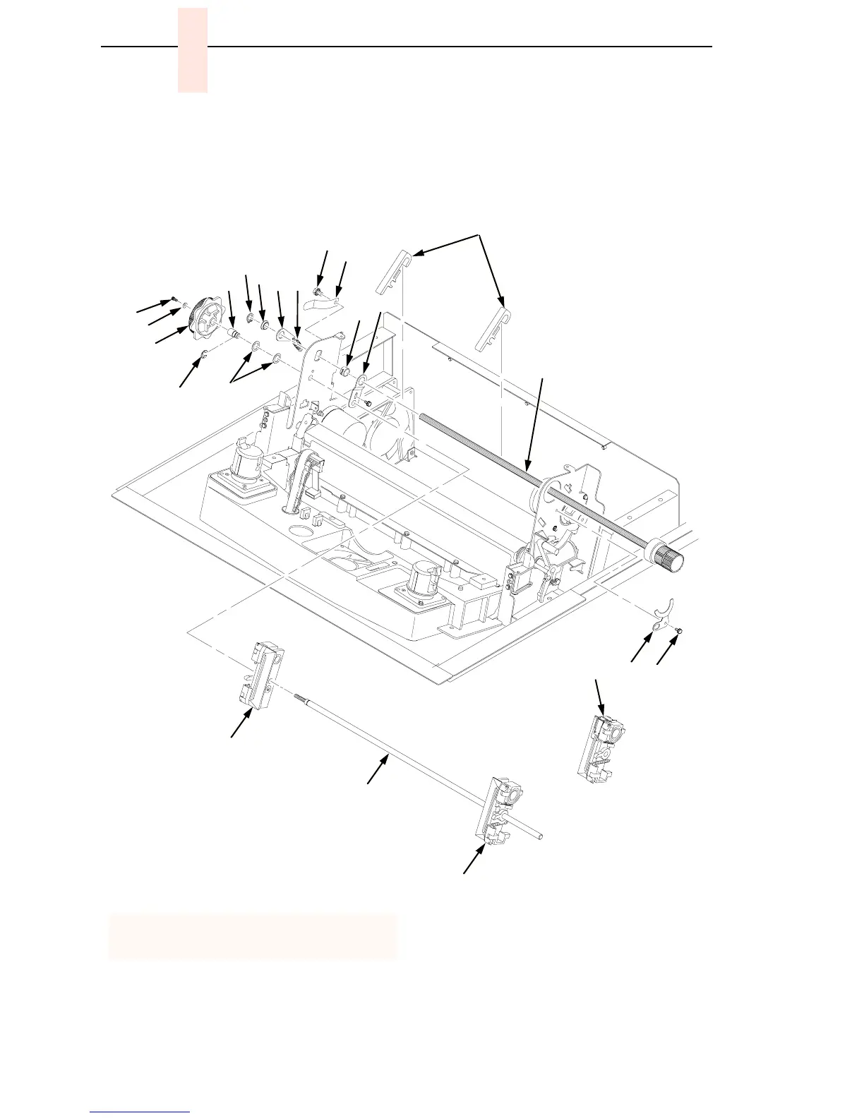
Chapter 7 Section II: Illustrated Parts Lists
Figure 50. Tractor Shafts
NOTE
Item 18: Tractor Shaft Hardware Kit not shown
Item 19: Tractor Shaft Kit not shown
2
3
17
4
5
7
9
10
11
20
21
12
14
13
16
15
16
6
8
1
22
23

Table of Contents

Other manuals for IBM 6400

Related product manuals