EasyManua.ls Logo

IBM 6400 - Twinax Connection

IBM 6400
422 pages
Print Icon
To Next Page IconTo Next Page
To Next Page IconTo Next Page
To Previous Page IconTo Previous Page
To Previous Page IconTo Previous Page
Loading...
Printer Electronics
43
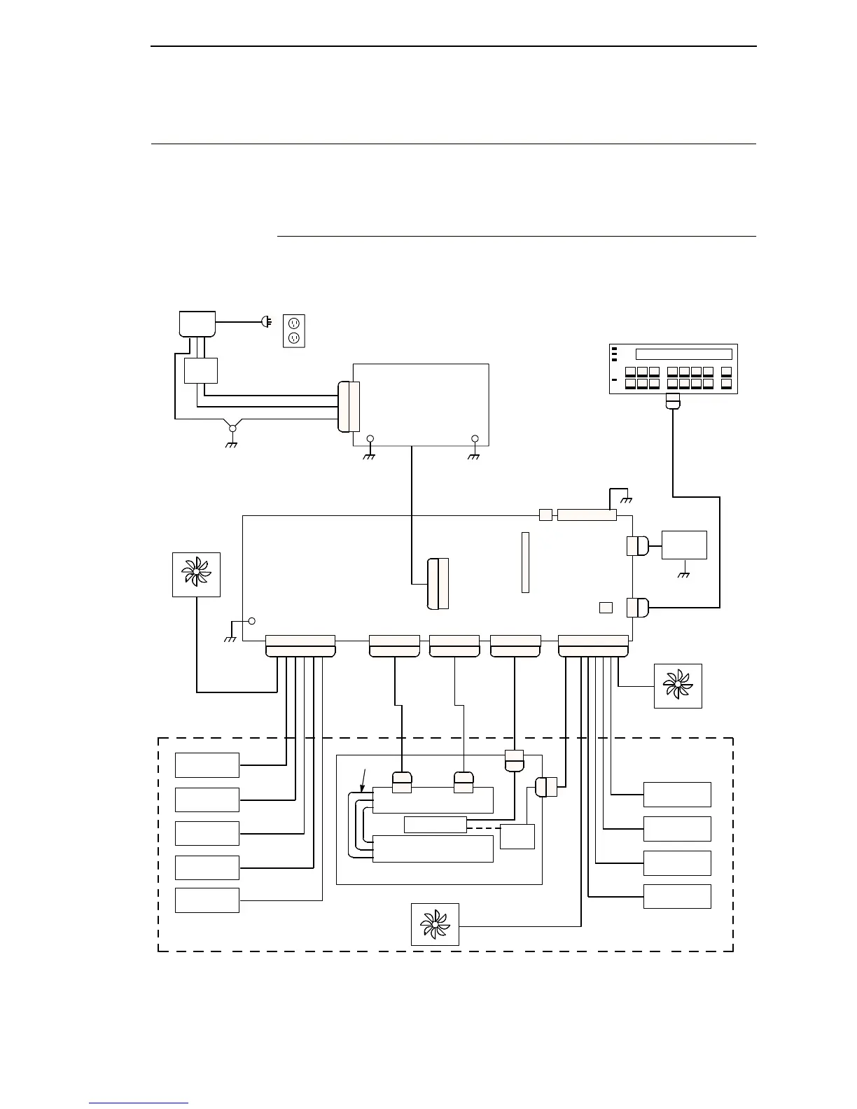
Logical Control Of The Printer
The printer is divided into four functional elements: the operator panel, the
CMX controller board, the power supply, and the print mechanism.
Printer Electronics
The functional elements of the printer are diagrammed in Figure 15.
Figure 15. Functional Elements of the Printer
Line 2 / Neutral
Flex Circuits:
AC
ON/OFF
SWITCH
Power Supply
Board
Line 1
CHASSIS
GND
Cabinet
Paper Feed
Motor
Platen Open
Switch
Right Ribbon
Guide
Right Ribbon
Motor
Platen
Motor
Paper Motion
Detector
Paper Out
Detector
Left Ribbon
Motor
Card Cage
Fan
Left Ribbon
Guide
Hammer Bank
Fan
Shuttle Motor
Hammer Bank Board
Terminator Board
MPU
Shuttle
Assy
CMX Controller Board
Circuit
Breaker
Shuttle Assembly
Exhaust
Fan
Input
Operator
Panel
Print Mechanism
AC
POWER
EIA-232-E
Serial I/O
(Cabinet
models
+5 V Remote
Power
Shield
GND
Parallel
I/O
only)

Table of Contents

Other manuals for IBM 6400

Related product manuals