EasyManua.ls Logo

Iseki SBC950 - Page 85

Iseki SBC950
128 pages
Print Icon
To Next Page IconTo Next Page
To Next Page IconTo Next Page
To Previous Page IconTo Previous Page
To Previous Page IconTo Previous Page
Loading...
SCMA54,SCMB60,SSM54
84
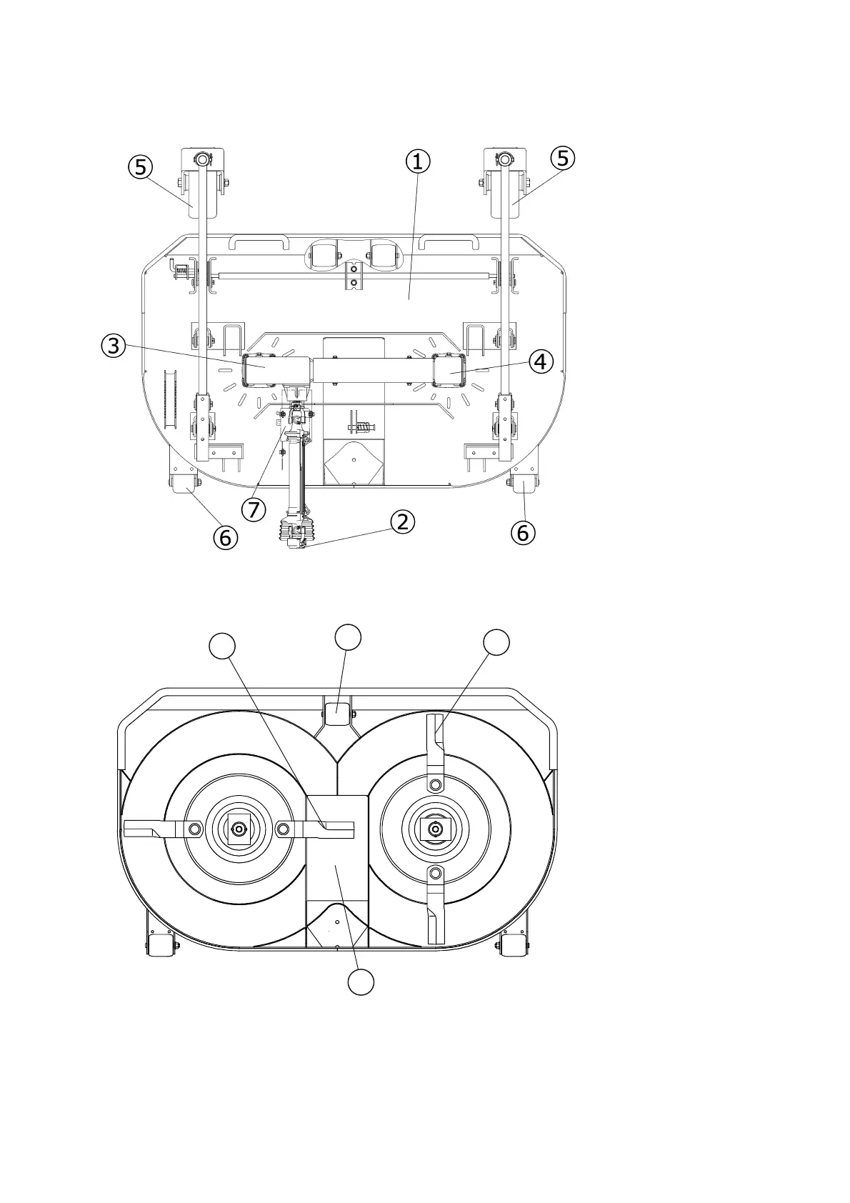
SCMB60
(1) Mower deck
(2) Universal joint
(3) Bevel gear case
(Left-hand side)
(4) Bevel gear case
(Right-hand side)
(5) Gauge wheel
(6) Roller
(7) Universal joint cover
(8) Blade (Left-hand side)
(9) Blade (Right-hand side)
(10) Height adjustment lever
(11) Mulching plate
8
9
6
11

Table of Contents

Related product manuals