EasyManua.ls Logo

Keithley 4200A-SCS - Page 170

Keithley 4200A-SCS
184 pages
Print Icon
To Next Page IconTo Next Page
To Next Page IconTo Next Page
To Previous Page IconTo Previous Page
To Previous Page IconTo Previous Page
Loading...
Model 4200A-SCS Pulse Card (PGU and PMU) User's Manual Section 8: Testing flash memory
4200A-PMU-900-01 Rev. A December 2020 8-7
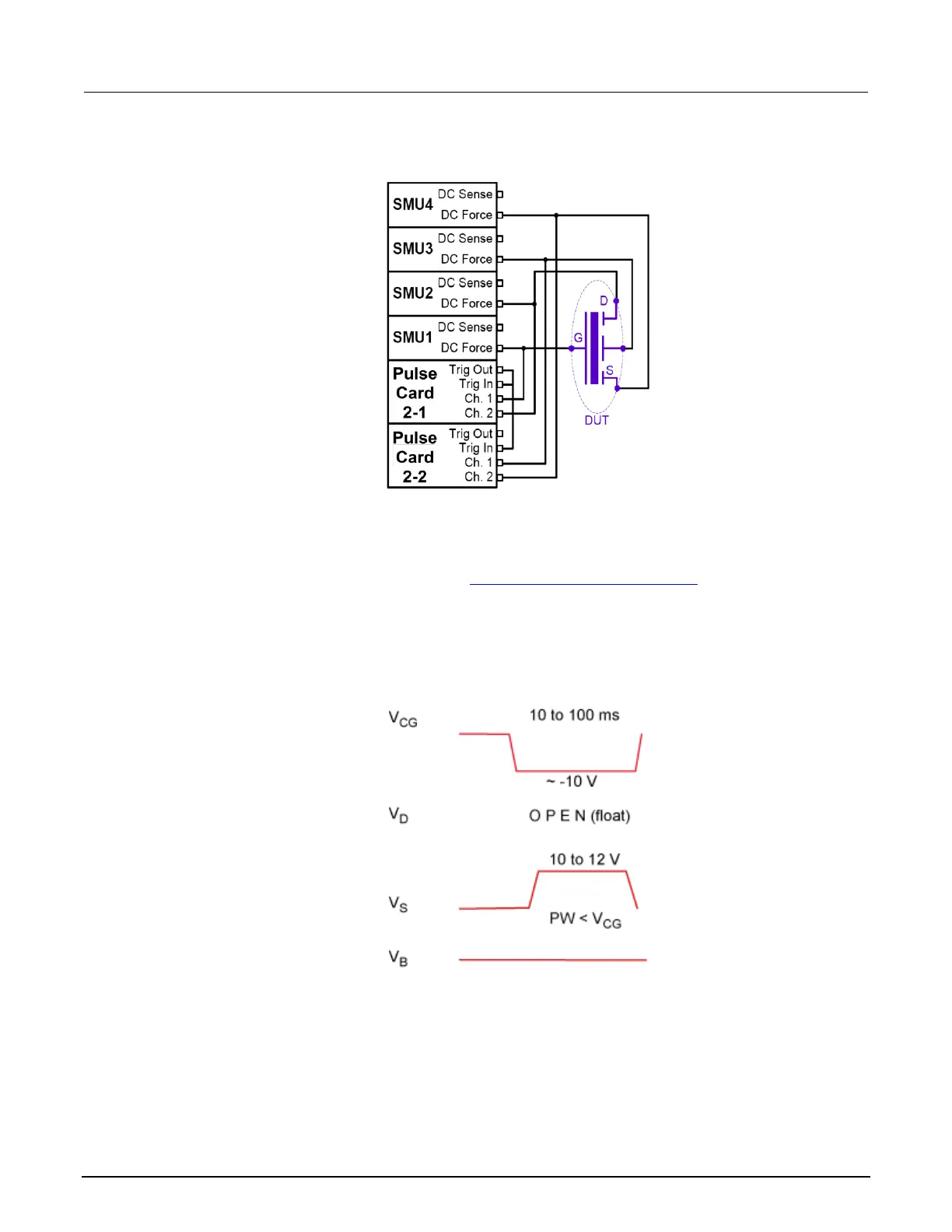
Figure 160: Block diagram of a flash test setup without using a switch matrix (direct connect)
The pulse waveforms are a program pulse, an erase pulse, or a waveform made up of both program
and erase pulses. All of these waveforms are implemented by using the Segment Arb capability. For
more information about waveforms, refer to Pulse Source-Measure Concepts (on page 4-7). The
following waveforms are examples of the different methods and voltage levels for programming and
erasing.
Figure 161: Program pulse waveforms for a floating gate DUT with separate pulse waveforms
for the DUT gate, drain, source, and bulk

Table of Contents

Other manuals for Keithley 4200A-SCS

Related product manuals