EasyManua.ls Logo

Keithley 4200A-SCS - Using the RPM as a Switch

Keithley 4200A-SCS
184 pages
Print Icon
To Next Page IconTo Next Page
To Next Page IconTo Next Page
To Previous Page IconTo Previous Page
To Previous Page IconTo Previous Page
Loading...
Section 2: Connections Model 4200A-SCS Pulse Card (PGU and PMU) User's Manual
2-8 4200A-PMU-900-01 Rev. A December 2020
The following figure shows the diagram for remote sensing. Both Sense and Force are connected to
DUT HI.
Figure 8: Diagram for remote sensing
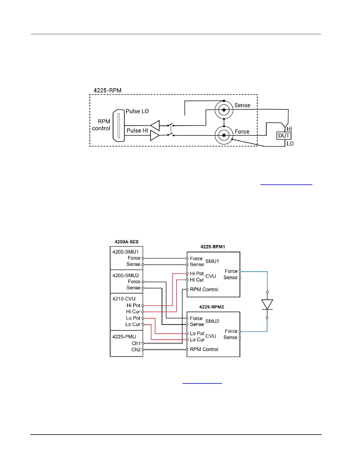
Using the RPM as a switch
You can use the RPM to switch a PMU, CVU, or SMU to a DUT terminal. The RPM wiring diagram
(on page 2-5) figure shows the switches. The following figure shows a typical test configuration for
using an RPM as a switch for a PMU, SMU, and CVU. In general, one RPM per device terminal is
recommended. By default, the PMU (with RPM) is connected to the output unless a SMU or CVU is
switched in.
Figure 9: Test configuration for using RPM as a switch
Both the red cables (supplied with the CVU) and the blue cables (supplied with the optional
4210-MMPC cable kits) are 100 Ω. You can do remote sensing (on page 2-16) using the optional
4210-MMPC cable kits with the RPMs.

Table of Contents

Other manuals for Keithley 4200A-SCS

Related product manuals