EasyManua.ls Logo

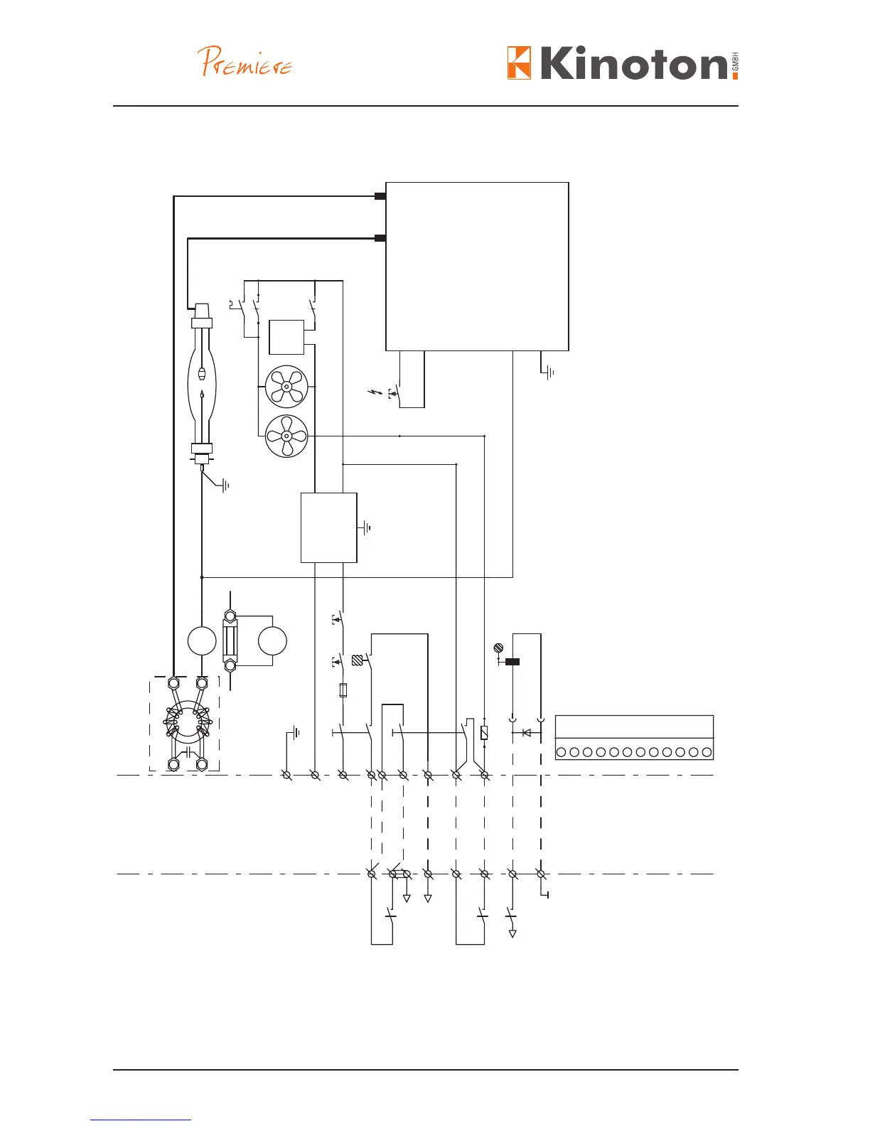
Kinoton FP 30 E Premiere - Lamphouse for 230 V Mains Connection

Default Icon
103 pages
Print Icon
To Next Page IconTo Next Page
To Next Page IconTo Next Page
To Previous Page IconTo Previous Page
To Previous Page IconTo Previous Page
Loading...

Issue: 08/2012

 
L i f t. S ol e n oi d
6 0 B
R e .
M 2
1 1 5 / 2 5 0 V
M1
S K 3 SK 4
S K 5
Si1
T 6 ; 3 A
6 0
1 2 2
1 2 2A
4 0
2 0
3 A
gr
Filt e r
r e .
O F F /ON
H
A
A U T O / O N
w t
rd
SK1
PE
L
N
L
+
-
T e r m in a l St r i p
br
bk
w t
w t
S K 7
bk
b l
y e - g n
br
r e .
a t d o w s e r o n
a t S t a r t
=0 V
+
6 0 A
S K 6
b l
b l
ST
bk
8
br
w t
v i
6
2
4
1 0
6
E
S K 2
4 0 6 0 D C
I gn it io n U ni t
S T 1 / 6
-
Inpu t
bk
Ringkern
~ 2 3 0 V
NW
A
s h unt fr o m 2 k W
P r o j e c t o r
L a m ph ous e on
Li g h t D o w se r
T e r m in a l St r i p
M a i n s
1 2 2
+ 2 4 V
1 2 2
R e c t if ie r
La mph o use
a t S t a r t
ST
2 0
1 2 2 6 0 A1 2 2 A
PR O Y.
4 0
6 0 B1 / 6
INPUTGL
6 0
1 / 5
6 0 B
6 0 A
S T 1 / 5
M a n u a l I g n i t i o n
( O P T I O N )
Interference
+
8 µ F
S K 2 I gn i t io n B u tt o n
N W S h u n t 6 0 m A
S K 6 T h e rm o S w i t ch
L X e n o n L a m p
A A m m e t e r
S K 5 A i t F l o w S w i t c h
M a n u a l / 0 / A u t o
S K 1 S wi tch
M 2 F a n M o t o r
M 1 L a m p F a n
H H ou r C o un t er
S K 3 S K 4 D o o r S w i t c h e s

Table of Contents

Related product manuals