EasyManua.ls Logo

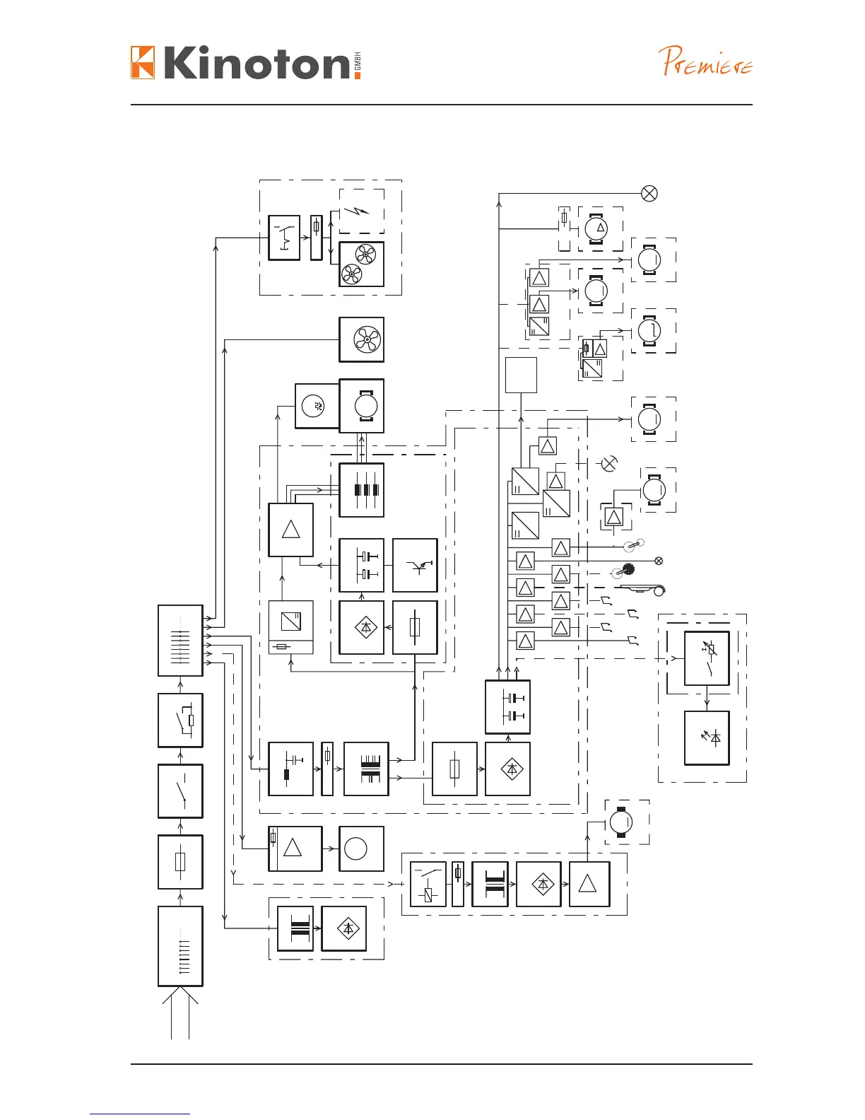
Kinoton FP 30 E Premiere - Block Diagram (Power)

Default Icon
103 pages
Print Icon
To Next Page IconTo Next Page
To Next Page IconTo Next Page
To Previous Page IconTo Previous Page
To Previous Page IconTo Previous Page
Loading...

Issue: 08/2012

 
M
- -
3 ~
Le n ze
Frequ.inv e r t .
~
4 AT
M
Flywhe e l
M
- -
Focus- M o to r
C e n t r a l b o a r d
I P D - 8 0 - 0 1
+ +
Co nt r .- Fi lt er
1 , 2 5 A T
DOOR
T ra n s f .t o r o id .
SPROCKET-DRIVE
Intermitt.Motor
M
I P D - 8 0- 1 0
S i g n al I nt e r fa ce
-
~
Main Dr.Motor
M
Fee d/B o tto m
3 ~
Fu se - In te rm i t .
18 V ~
2 4 V =
4 . 0 A T
2 A T
+
~
R e c t if i er
Tr a ns fo r me r
P a p s t
2 A T
2 1 5 V ~
Frict.Motor s
Tur ret/ Ape r t.
FCS8001
16mm
S k at e L if t Pi lo t l am p
Exc.lamp
f i l te r
H e a t -
En a b l e
Lift
3 5 m m
Lift
2 1 5 . . . 2 3 0 V ~
Tr a ns fo r me r
I P D - 8 0 - 0 6
~
R e c t if i er
+-
~
Fr i ct i on c o nt r o l
2 c h a n n e l
3 5 m m
L E D- 8 0 - 04
LED- Light
RSSD
3 . 0
A
24 V =
~
~
P o w e r Su p pl y
t
6 . 3 A T
M a i n - F u se
M a i n s
M a i n T e r m . s t r i p K L 0 Cu rr .-L im it erM a i n - Sw it c h In t e r n a l T e r m . s t r i p
~
-
Fu s e- 24 V DC
S e r v o - A m pl .
F i l t e r -c a ps
++
R e c t if i er
6 , 3 A T
+
~
INTERMITTEND-
-
Cap - Dis c harg e
F PS -8 0 - 0 1
F P S 3 0 0
F i l t e r - c o i l s
Intmd.Encod.
G
P S s e r v o
~
~
+
F i l t e r -c a psR e c t if i er
S - 2 5 - 2 4
300V =
En.
Contr o l
Ig n it i on
X en o n l a m p ho u s e
F a n ( s )
F a n s
6 , 3 A T
Ke y i l l u m .
5V=
MSK8003
Fl y wh e el- Mot .
16mm
En a b l e
Di re ct ed t o
l og i c o n
Fi lmb rea k-
"Standard"
M
- -
Shutter-Motor
IP D- 80 -1 0
5V=
P E C 8 0 4 7 s
M
- -
- -
Apert. - Mo to r
Turret-Motor
M
5V =
6 , 5 V =
12V=
Dowser
0 . 4 A T
"VarioDrive"
Shutter-Motor
M
Block Diagrams / Wiring Schemes

Table of Contents

Related product manuals