EasyManua.ls Logo

Kinoton FP 75 E - Lamphouse for 230 V Mains Connection

Kinoton FP 75 E
81 pages
Print Icon
To Next Page IconTo Next Page
To Next Page IconTo Next Page
To Previous Page IconTo Previous Page
To Previous Page IconTo Previous Page
Loading...

Issue: 08/2012

 
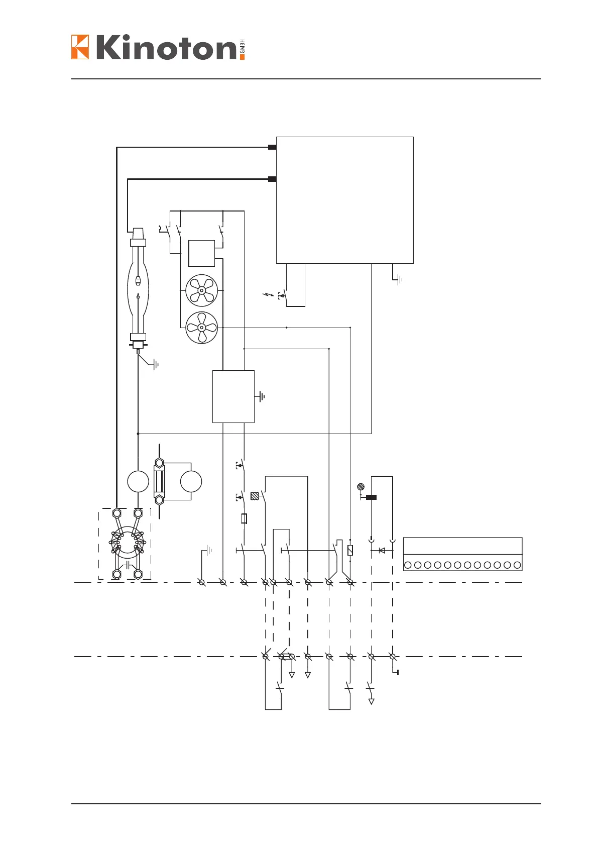
L i f t . S o l e n o i d
6 0 B
R e .
M 2
1 1 5 / 2 5 0 V
M1
S K 3 S K 4
S K 5
Si1
T 6 ; 3 A
6 0
1 2 2
1 2 2 A
4 0
2 0
3 A
gr
Fil t er
r e .
O F F / O N
H
A
A U T O / O N
w t
rd
SK1
PE
L
N
L
+
-
T e r m i n a l S t r i p
br
bk
w t
w t
S K 7
bk
b l
y e - g n
br
r e .
a t d o w s e r o n
a t S t a r t
=0 V
+
6 0 A
S K 6
b l
b l
ST
bk
8
br
w t
v i
6
2
4
1 0
6
E
S K 2
4 0 6 0 D C
I g n i t i o n U ni t
S T 1 / 6
-
Inpu t
bk
Ringkern
~ 2 3 0 V
NW
A
s h u n t f r o m 2 k W
P r o j e c t o r
L a m p h o u s e o n
Li gh t D o w se r
T e r m i n a l S t r i p
M a i n s
1 2 2
+ 2 4 V
1 2 2
R e c ti f i e r
Lam p h o use
a t S t a r t
ST
2 0
1 2 2 6 0 A1 2 2 A
PR O Y.
4 0
6 0 B1 / 6
INPUTGL
6 0
1 / 5
6 0 B
6 0 A
S T 1 / 5
M a n u a l I g n i t i o n
( O P T I O N )
In t er f er e nc e
+
8 µ F
S K 2 I g n i t i o n B u t t o n
N W S h u n t 6 0 m A
S K 6 T h e r m o S w i t c h
L X e n o n L a m p
A A m m e t e r
S K 5 A i t F l o w S w i t c h
M a n u a l / 0 / A u t o
S K 1 S w i t c h
M 2 F a n M o t o r
M 1 L a m p F a n
H H o u r C o u n t e r
S K 3 S K 4 D o o r S w i t c h e s
Wiring Schemes

Table of Contents

Related product manuals