EasyManua.ls Logo

Kinoton FP 75 E - Lamphouse for 120 V Mains Connection

Kinoton FP 75 E
81 pages
Print Icon
To Next Page IconTo Next Page
To Next Page IconTo Next Page
To Previous Page IconTo Previous Page
To Previous Page IconTo Previous Page
Loading...

Issue: 08/2012

 
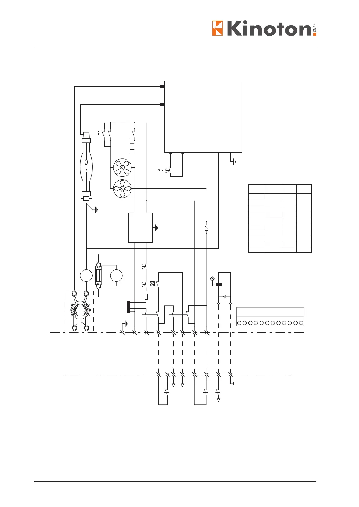
~110V
~ 2 3 0 V
~ 2 3 0 V
~110V
V T 0 3 5
8 µ F
4 5 - 7 01 6 0 0
2 0
2 2
1 0 06 0 - 1 1 0
7 0 0 0 4 31 6 0
2 8
2 9
9 0
7 0
7 0 - 1 0 0
122B
A U T O / M A N .
1 0 0 - 1 5 0
( O P T I O N )
gr
R e c t if i e r
Gleichri c h t e r
3 01 3 58 0 - 1 5 0
3 0 0 0 3 0
3 0 - 4 5
3 0 - 5 5
19
6 5
3 7
5 0
1 4 0 3 55 0 0 0
8 0 - 1 6 0 1 6 0 416 5 0 0
1 2 0 - 1 6 5
4 0 0 0
5 0 - 8 5
A
H
4 0
r e .
Filte r
3 A
PE
2 0
y e - g n
1 2 2 A
1 2 2
6 0
T 6 ; 3 A
Si1
S K 5
S K 4S K 3
M1
1 1 5 / 2 5 0 V
M 2
R e .
6 0 B
L
N
L
+
-
W A V
T e r m i n a l S t r i p
bn
bk
w t
w t
SK1
bk
b l
bn
r e .
a t d o w s e r O N
a t s t a r t
=0 V
+ 2 4 V
6 0 A
S K 6
b l
b l
2 0 0 0
s w
8
bn
w t
v i
6
2
4
1 0
6
E
S K 2
I g n i t i o n U n i t 4 0 6 0 D C
2 5 0 0
-
Input
bk
R i n g c o r e
NW
A
S h u n t f r o m 2 k W o n
P r o j e c t o r
7 0 0
Ligh t D o w s e r
T e r m i n a l S t r i p
M a i n s
1 2 2
+ 2 4 V
1 2 2
R e c t if i e r
La m ph o use
a t s t a r t
A
MAG :
2 0
1 2 2 6 0 A-
PR O Y .
4 0
6 0 B1 2 2 A
INPUTGL
6 0
+
6 0 B
6 0 A
1 0 0 0
I g n i te
( O P T I O N )
In t e r fe r e nce
+
S K 1
M 2
M 1 L a m p f a n
H
S K 3 S K 4
S K 5
A
L
S K 6
N W
S K 2
F a n m o t o r
H o u r c o u n t e r
M a i n s w i t c h
I g n i t i o n b u t t o n
D o o r s w i t c h e s
A i r f l o w s w i t c h
T h e r m a l s w i t c h
A m m e t e r
X e n o n l a m p
S h u n t 6 0 m A

Table of Contents

Related product manuals