EasyManua.ls Logo

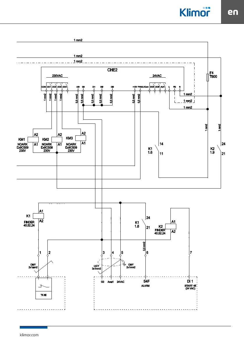
Klimor EVO -T - 13. CABLE CROSS SECTIONS AND PROTECTIONS; 13.1 Cross sections of power cables for fan motors and protection units; 13.2 Cross sections of power leads of electric heater

Klimor EVO -T
Print Icon
To Next Page IconTo Next Page
To Next Page IconTo Next Page
To Previous Page IconTo Previous Page
To Previous Page IconTo Previous Page
Loading...
91
0,5mm2 (white)
0,5mm2 (white)
0,5mm2 (white)
0,5mm2 (white)
0,5mm2 (blue)
0,5mm2 (blue)
0,5mm2 (blue)
CONTROL AUTOMATION
CONTROL

Table of Contents