EasyManua.ls Logo

Klimor EVO -T - Page 92

Klimor EVO -T
Print Icon
To Next Page IconTo Next Page
To Next Page IconTo Next Page
To Previous Page IconTo Previous Page
To Previous Page IconTo Previous Page
Loading...
90
AUTOMATION AND CONTROL SYSTEM FOR UNITS EVO-T; EVO-T COMPACT
OPERATION AND MAINTENANCE MANUAL
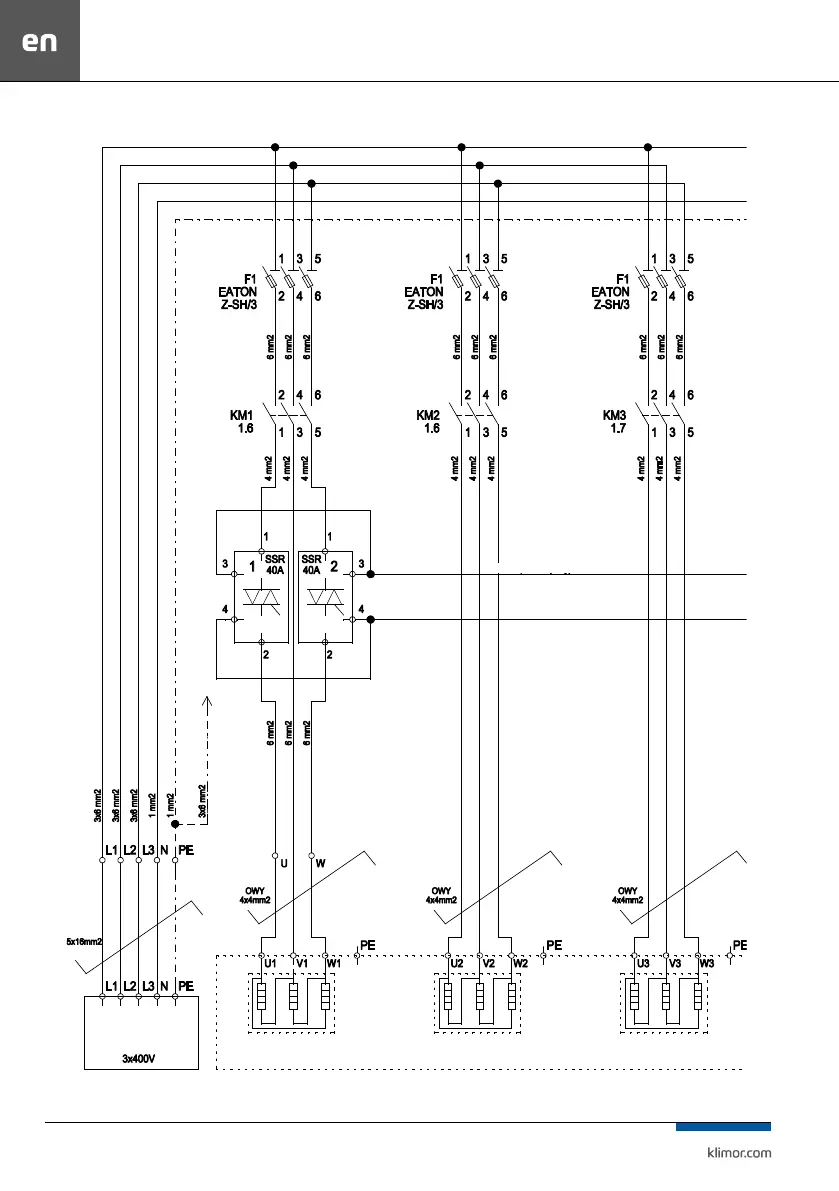
Fig. 29 Module EH -M-36 kW/3
HEATER
SUPPLY
ELECTRICAL HEATER
MAX. 12kW
ELECTRICAL HEATER
MAX. 12kW
ELECTRICAL HEATER
MAX. 12kW
PE_common strip
0,5mm2 (blue)
0,5mm2 (white)

Table of Contents