EasyManua.ls Logo

Klimor EVO -T - Page 91

Klimor EVO -T
Print Icon
To Next Page IconTo Next Page
To Next Page IconTo Next Page
To Previous Page IconTo Previous Page
To Previous Page IconTo Previous Page
Loading...
89
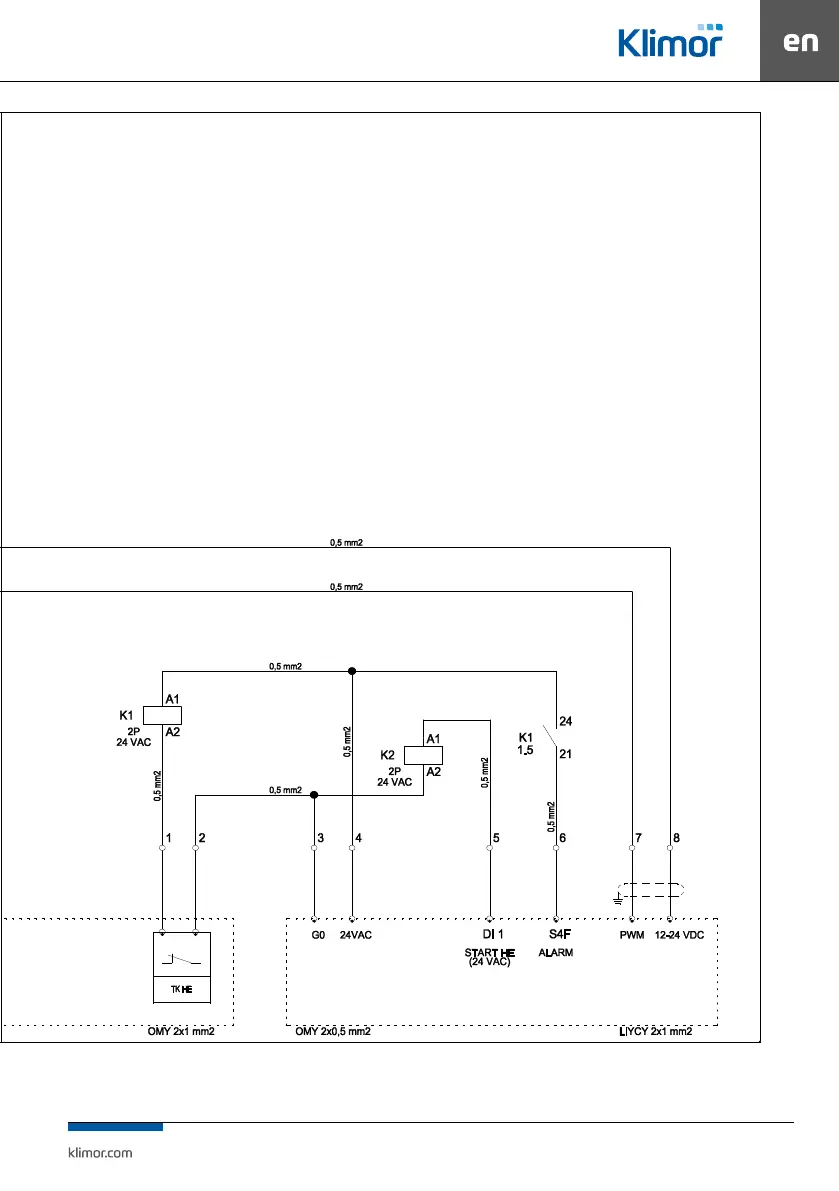
CONTROL AUTOMATION
CONTROL

Table of Contents