EasyManua.ls Logo

Learjet 35 - Page 332

Learjet 35
482 pages
Print Icon
To Next Page IconTo Next Page
To Next Page IconTo Next Page
To Previous Page IconTo Previous Page
To Previous Page IconTo Previous Page
Loading...
4H-2 Developed for Training Purposes Leerjet 35/36
February 1998
CAE SimuFlite
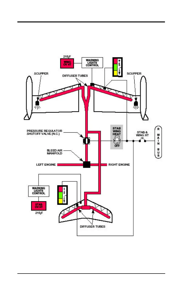
Wing and Horizontal Stab System

Table of Contents

Related product manuals