EasyManua.ls Logo

Learjet 35 - Page 333

Learjet 35
482 pages
Print Icon
To Next Page IconTo Next Page
To Next Page IconTo Next Page
To Previous Page IconTo Previous Page
To Previous Page IconTo Previous Page
Loading...
Leerjet 35/36 Developed for Training Purposes 4H-3
February 1998
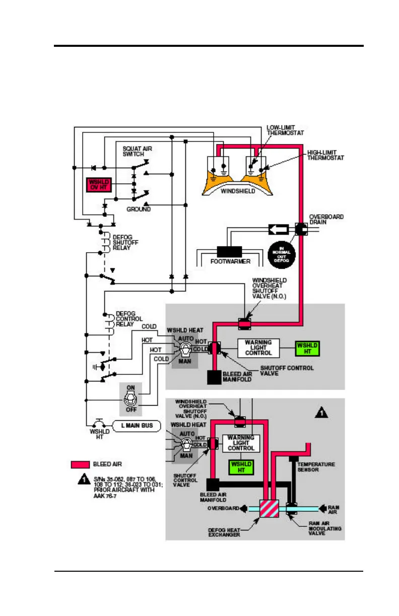
Ice and Rain Protection
Early Windshield Defog and
Anti-Ice System – Without AMK 76-7
S/Ns 35-002 to 081, 083 to 086; 36-002 to 022

Table of Contents

Related product manuals