EasyManua.ls Logo

Learjet 35 - Page 334

Learjet 35
482 pages
Print Icon
To Next Page IconTo Next Page
To Next Page IconTo Next Page
To Previous Page IconTo Previous Page
To Previous Page IconTo Previous Page
Loading...
4H-4 Developed for Training Purposes Leerjet 35/36
February 1998
CAE SimuFlite
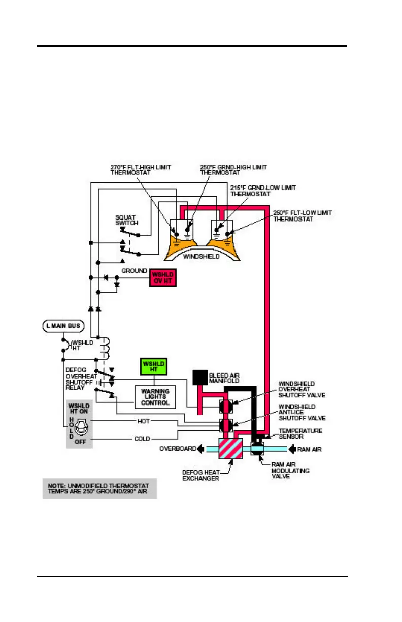
Late Windshield Defog and
Anti-Ice System
S/Ns 35-107, 113 and subsequent;
36-032 and subsequent

Table of Contents

Related product manuals