EasyManua.ls Logo

LELY SPLENDIMO PC 281 - D Hydraulisches Schema

LELY SPLENDIMO PC 281
Print Icon
To Next Page IconTo Next Page
To Next Page IconTo Next Page
To Previous Page IconTo Previous Page
To Previous Page IconTo Previous Page
Loading...
Hammerschlag anbringen und die Sechskantbolzen noch-
mals mit einem Moment von 50 Nm (5 kgm) nachziehen.
Öl oder Schmiermittel sind bei der Montage der Riemen-
scheibe nicht zu verwenden.
- Keilriemen auflegen.
- Keilriemen spannen. Die Spannung soll derart sein, dass
jeder Riemen in der Mitte zwischen den Riemenscheiben
mit einer Kraft von 70 N (7 kg) ca. 10 mm eingedrückt
werden kann (Bild C-1).
- Keilriemengehäuse schliessen.
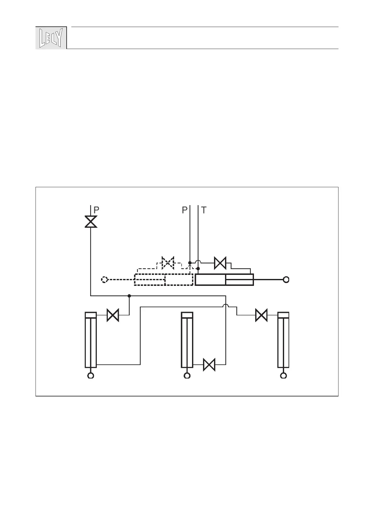
D HYDRAULISCHES SCHEMA
Legende:
1 Sperrventil
2 Doppelwirkender Zylinder (Radstütz)
3 Einfachwirkender Zylinder (Mähaufbereiter)
4 Einfachwirkender Zylinder (wielpoot)
5 Doppelwirkender Zylinder (Radstütz)
6 Doppelwirkender Zylinder (Deichsel, nur SPLENDIMO
®
320 PC)
110
1
23
4
5
1
1
1
11
6
Anlage D

Table of Contents

Related product manuals