EasyManua.ls Logo

MacDon 9000 - Header Drive Hydraulic Schematic

MacDon 9000
142 pages
Print Icon
To Next Page IconTo Next Page
To Next Page IconTo Next Page
To Previous Page IconTo Previous Page
To Previous Page IconTo Previous Page
Loading...
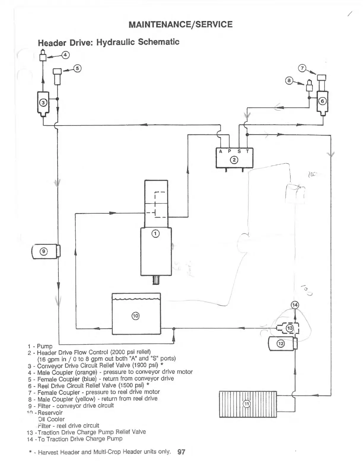
MAINTENANCE/SERVICE
Header Drive: Hydraulic Schematic
--©
--®
,..._
I
.--------~
-
-I
0
®
1 - Pump
2 - Header Drive Flow Control (2000 psi relief)
(16
gpm
in / O
to
8
gpm
out
both
"A"
and
"S"
ports)
3 - Conveyor Drive Circuit Relief Valve (1900 psi)
*
4 - Male Coupler (orange) - pressure
to
conveyor drive
motor
5 - Female Coupler (blue) - return from conveyor drive
6 -
Reel
Drive Circuit Relief Valve {1500 psi) *
7 - Female Coupler - pressure
to
reel drive
motor
8 - Male Coupler (yellow) - return from reel drive
9 - Filter - conveyor drive circuit
1
n - Reservoir
Oil Cooler
filter
- reel drive circuit
13 -Traction Drive Charge Pump Relief Valve
14 -
To
Traction Drive Charge Pump
* - Harvest Header and Multi-Crop Header units only. 97
A P S T
®
/
-
..,:,
...)

Table of Contents

Related product manuals