EasyManua.ls Logo

MacDon 9000 - Electrical Schematics

MacDon 9000
142 pages
Print Icon
To Next Page IconTo Next Page
To Next Page IconTo Next Page
To Previous Page IconTo Previous Page
To Previous Page IconTo Previous Page
Loading...
_
__
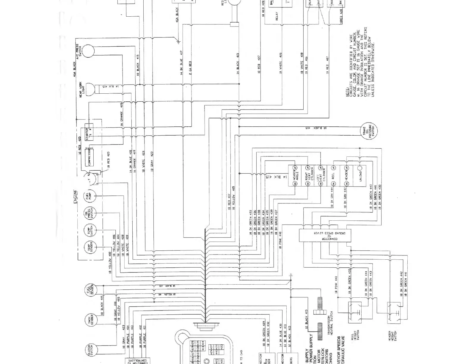
_ _ _ _ ENG!Nf
________
_
4GAILACK
WCPiius
SVITCH
.;LuT1_.
SV1TCH
}-,
TACH
S[HDER,
r~
!END
~
I CQMP,tt:SS
18
a.ACK
-415,
f
18
Y[LLDIJ
402
18
-RED
425
I :tt. f--------i
ICIIN'"-
F.,fi:
f--------i
I
CllHTO.
I
II
~AY
1:3
~
:::::
::
J_
1ll
PURPU:
_
ill
JR
ldBAX
itA
....J!_
Y[LlD\(
403
l
I~
18
Y[LLOV
406
18
YCLLO'w'
04
18
'w'HITC
•~~
18
'wHITr
14
DK
ILUE
18
16
[)@~
419
----1L..lll:il.
424
IBGR~
[
11111111
1
lllll~11l1t
_
CX)
<n
.QQU;!8_
Ill.ACK
RED
PINK
WHITE
GRAY
YEU.0W
OAANGE
BLUE
PUAPI.£
GREEN
O
I'\'\'\"
2
2
/
Ct::N€CTOR
TD
CAI
DR~[R
I
18
DK
GR[[N
429
l
CDNNCCTOR
HEADER
18
DK
GR([t,,j
432
I
CIJKCTOR
14
DK
ILUC
430
TD
14
UE
431
All
HEADERS
Jl.
~
~ -
GAOUNO
lJYE
POWER
8UPP\.Y
~ACK
15
ACCESSORY
POWER
SUPPLY
ENGINE
IGNITlON
~
AIR
SCREEN
MOTOR
NEUTRAL
INTERLOCK
MACHINE
MONITORS
IRAHSMISSIIJN
AIR
CONDITIONING
NCUTRAL
SVITCH
LIGHTS
REa
&
CONVEYOR
SPEEDS
ELECTAO-HYORAUUC
VALVE
DECK
SHIFT
REEL
HCIGHT
S'JITCH
HEADER
NCIGHT
SWITCH
\ ±
;J
r--
~J
~I••
18 PINK
440
18
DK
GR([N
433
18
1)1(
GREEN
◄◄◄
j
18
DK
CiRHN
4
3
1!
~
GACCN
44Z
18
tlC
CaRC.CN
41
18
RED
407
J
!8
~
-
~q:~
-
~~~
18
DK
GRECN
~36
18
OK
GREEN
438
18
DK
GREEN
43
18
DK
GR[(N
05
19 YCLLDIJ
~O~
.,
18 DK GREEN
439
18
DK
GRHH
437
18
PINK
440
r--
~
~th
.-----i
u
0
w
,~~
~~
K---
""
...J
"'
:!
L.______b
H[AD[w;;,
--------p
~Cal[·~
l-____Jr,;;;,,
RIGHT
,;;,I
pvcAT
~r-
CYLIND£A
L_____k:)~%\
ef--
--------
p
CYLINDER
i18
l)f(
GRN
444
~
A[(L
0~
18
DK
GRN
4
2~
H(AD(0+
<ROAD
OJ
< <
~
18
Dk
GRCCN
40
18
DK
GRCCN
441
18
DK
GRCCN
433
fitCAR
'w'ORk
L1CatlT
';>,-.---<
~I
::.
I
1------
m
iD
a
..
!6
()RANG[
42Q..
~
~
er
!.
18
~ACK
•U
5
J
,,1jL
~llACK
J4
OK
BLUE
4
17
,-----,
IATTCRY
en
l
3
en
0
~
CD
I
~
~
a
GA
HEP
~
~
3
a
~
!
'
!!'I
),------.
TRANS
Oil
PRfS
SUR£
SIJITCH
-t
..
RED
TAIL
UGHT
L.JLACK
41
5
j[
.J
B
10
A[D
4.27
10
RE~
4.28
l
IA.J,__
RELAY
IAT
I = Sil..
IO
~HITE
2
6
<
i7
__3_J
I - L
18
\IHJf[
408
I
,o
RED
16
~
~
50
AMP
Cllt
WAKER
<LIGHTS
tN.. n
~
W'
CIR
IREAKU
..
I
10
RED
07
,
AUXI
~
l,..,,n
28~1
<ALL
HN:TIDHS
EXCEPT
LIGHTS>
tlllll:!
C
IRC
UITS
ARE
IDENTIFIED
SY
IJ
IRE
GAUGE,
COLOR,
ANO
CIRCUIT
NUMBE
R.
1e,
16
ORANGE
507
IS 16
GAUGE
IJIRE
IJITH
ORANGE
INSULATION
ANO
THE
CIRCUIT
NUMBER
IS 507,
THIS
RffERS
TO
THE
LINE
IHMEOIATEL
Y SELOIJ
UNLESS
INDICATED
DTH[RIJIS[.

Table of Contents

Related product manuals