EasyManua.ls Logo

MADVAC PS300 - A67594 - Power Pack

MADVAC PS300
182 pages
Print Icon
To Next Page IconTo Next Page
To Next Page IconTo Next Page
To Previous Page IconTo Previous Page
To Previous Page IconTo Previous Page
Loading...
9 8
1
7
5
2
5
7
8
94
10
5
6
3
11
12
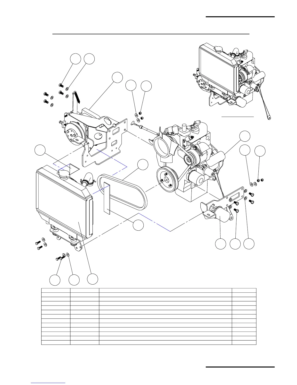
ITEM NUMBER PART NUMBER DESCRIPTION QUANTITY
1 67593 HYDRAULIC PUMP 1
2 67592 ENGINE KUBOTA Z 482 & RADIATOR ASSY 1
3 67303 KUBOTA RADIATOR SUB-ASSEMBLY 1
4 67307 OIL FILTER & HYDRAULIC FITTING 1
5 90001 WASHER Ø 5/16" 8
6 90075 HEX BOLT Ø 5/16" - 18 UNC X 1" Lg. 4
7 90000 LOCK NUT Ø 5/16" - 18 UNC. 4
8 90758 WASHER Ø M10 8
9 90118 BOLT HEX HEAD ØM10 X 1.25 X 20mm lg 8
10 65762 V-BELT HYDROSTATIC PUMP 1
11 66324 ANTI-VIBRATING PAD NO 10 1
12 66325 ANTI-VIBRATING PAD NO 11 1
ASSEMBLY VIEW
A67594 - POWER PACK
KUBOTA ENGINE, RADIATOR AND HYDROSTATIC PUMP ASSEMBLY FOR ALL SERIAL NUMBERS
MadVac Inc.
PS 300 Operator's & Parts Manual
September 2001, Revision: ---
PO-1
Power Pack Section

Table of Contents

Other manuals for MADVAC PS300