EasyManua.ls Logo

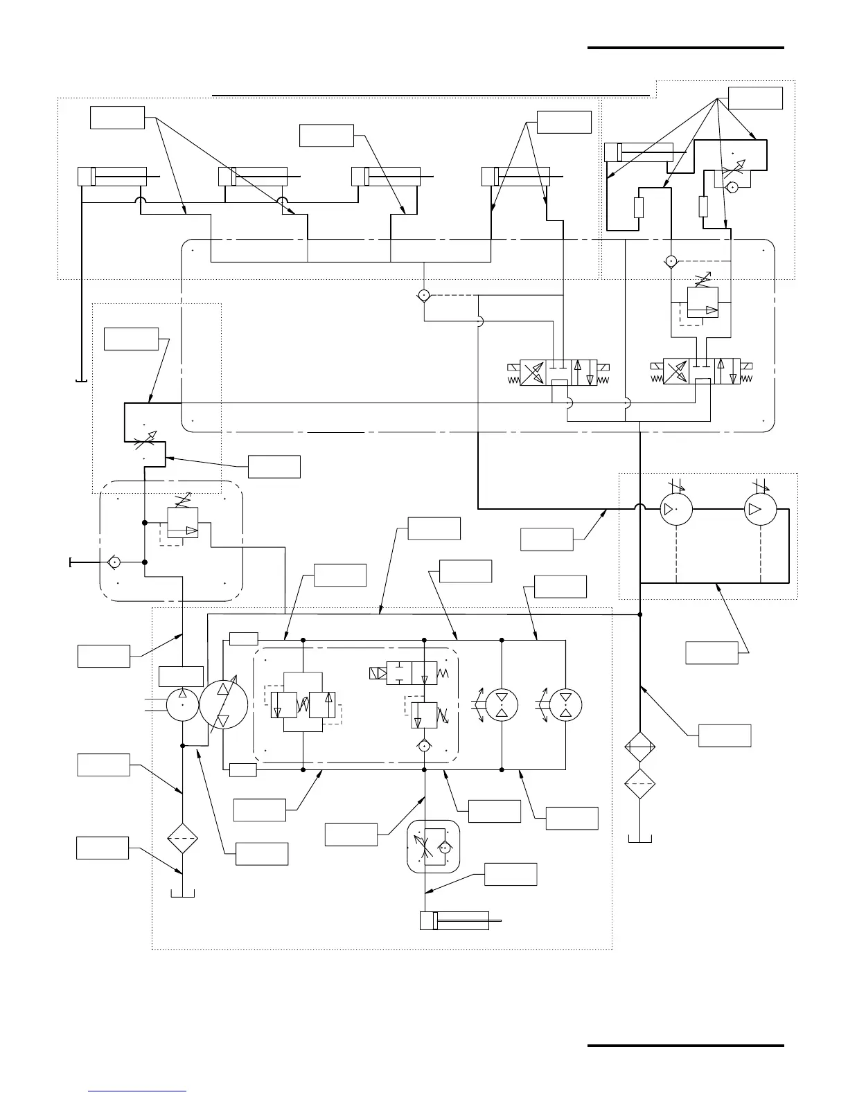
MADVAC PS300 - A67874 - Hydraulic Hoses Routing (Serial Number 17578 & Up)

MADVAC PS300
182 pages
Print Icon
To Next Page IconTo Next Page
To Next Page IconTo Next Page
To Previous Page IconTo Previous Page
To Previous Page IconTo Previous Page
Loading...
Hydraulic
Hose Assembly
67798
Hydraulic
Hose Assembly
65884
Hydraulic
Hose Assembly
67702
Hydraulic
Hose Assembly
67317
Hydraulic
Hose Assembly
67771
Hydraulic
Hose Assembly
67450
Hydraulic
Hose Assembly
67773
Hydraulic
Hose Assembly
65882
Hydraulic
Hose Assembly
65884
Hydraulic
Hose Assembly
65880
Hydraulic
Hose Assembly
65880
1.03 Gpm
REV
FWD
Hydraulic
Hose Assembly
67451
Hydraulic
Hose Assembly
67450
Hydraulic
Hose Assembly
67269
Hydraulic
Hose Assembly
67270
Hydraulic
Hose Assembly
67322
Hydraulic
Hose Assembly
65899
Hydraulic
Hose Assembly
65897
Hydraulic
Hose Assembly
65897
Hydraulic
Hose Assembly
65895
Hydraulic
Hose Assembly
65894
Hydraulic
Hose Assembly
65893
SEE DRAWING A67891
SEE DRAWING A67784
SEE DRAWING A67785
SEE DRAWING A67893
SEE DRAWING A67892
A67874 - HYDRAULIC HOSES ROUTING
HYDRAULIC HOSES ROUTING FOR PS300 WITH ALL AVAILABLE OPTIONS
MadVac Inc.
PS 300 Operator's & Parts Manual
December 2002, Revision: ---
HY-22
Hydraulics Section

Table of Contents

Other manuals for MADVAC PS300