EasyManua.ls Logo

MADVAC PS300 - A67685 - Central Arc

MADVAC PS300
182 pages
Print Icon
To Next Page IconTo Next Page
To Next Page IconTo Next Page
To Previous Page IconTo Previous Page
To Previous Page IconTo Previous Page
Loading...
6
2
7
10
9
8
5
3
3
4
1
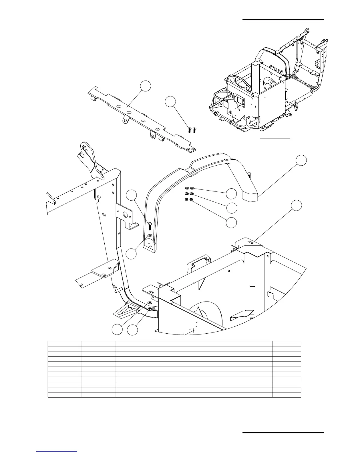
ITEM NUMBER PART NUMBER DESCRIPTION QUANTITY
1 65037 CHASSIS 1
2 65483 CENTRAL ARC 1
3 90001 WASHER Ø 5/16" 4
4 90000 LOCK NUT Ø 5/16" - 18 UNC. 2
5 90075 HEX BOLT Ø 5/16" - 18 UNC X 1" Lg. 2
6 66012 T-TOP 1
7 90048 FLAT COUNTERSINK HEAD SCREW Ø 1/4" - 20 UNC X 3/4" Lg. 2
8 90004 WASHER Ø 1/4" 2
9 90018 LOCK WASHER Ø 1/4" 2
10 90017 HEX. NUT Ø 1/4" - 20 UNC. 2
ASSEMBLY VIEW
A67685 - CENTRAL ARC
FIBERGLASS CENTRAL ARC FOR ALL SERIAL NUMBERS
MadVac Inc.
PS 300 Operator's & Parts Manual
September 2001, Revision: ---
BO-11
Body Section

Table of Contents

Other manuals for MADVAC PS300