EasyManua.ls Logo

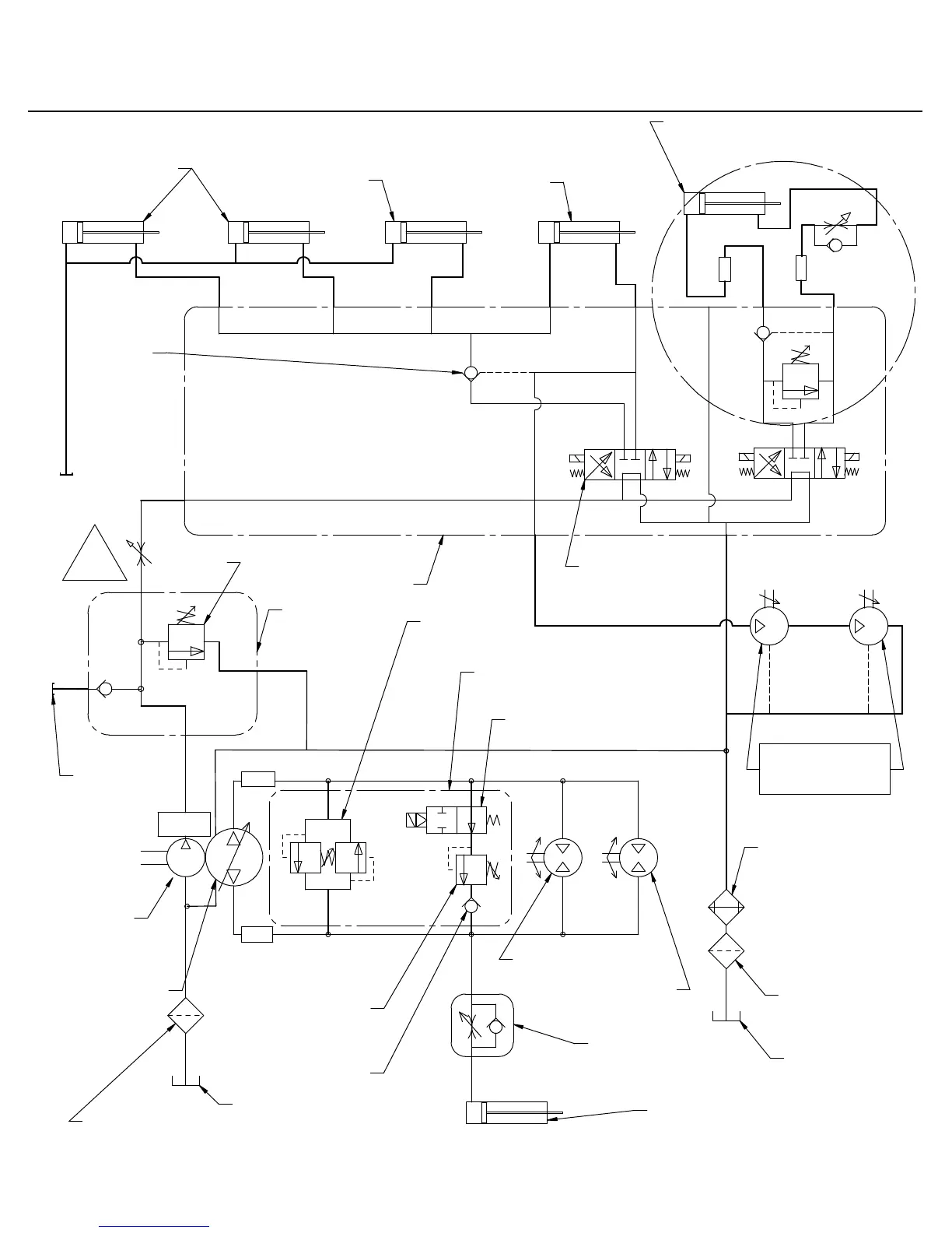
MADVAC PS300 - A67875 - Hydraulic Schema (Serial Number 17578 & Up)

MADVAC PS300
182 pages
Print Icon
To Next Page IconTo Next Page
To Next Page IconTo Next Page
To Previous Page IconTo Previous Page
To Previous Page IconTo Previous Page
Loading...
1.03 Gpm
FWD
REV
OPTION K67377 - HYDRAULIC SIDE DUMP
SEE DRAWING A67786 - HYDRAULIC SHEMA
FOR FURTHER COMPLETE DETAILS
TEST PORT
QUICK
CONNECT
CHECK VALVE
PART #: 67307
FLOW CONTROL VALVE
PART #: 25098
SEE KEY,WATER & ACTIVE STABILIZER
ADJUSTMENTFOR COMPLETE
HYDRAULIC FITTING DETAILS
CHECK VALVE
PART #: 65789
SEE HYDRAULIC MANIFOLD
FOR COMPLETE HYDRAULIC
FITTING DETAILS
RELIEF VALVE
PART #: 65790
SEE HYDRAULIC MANIFOLD
FOR COMPLETE HYDRAULIC
FITTING DETAILS
SOLENOID VALVE PART #: 65785
SEE HYDRAULIC MANIFOLD FOR COMPLETE
HYDRAULIC FITTING DETAILS
VALVE DOUBLE RELIEF
PART #: 65785
SEE HYDRAULIC MANIFOLD
FOR COMPLETE HYDRAULIC FITTING DETAILS
HYDRAULIC CYLINDER
PART #: 67304
SEE HYDRAULIC UP & DOWN
SWEEPING BRUSHES OPTION
FOR FURTHER DETAILS
HYDRAULIC CYLINDER
PART #: 67298
SEE HYDRAULIC RAISE/LOWER
NOZZLE OPTION FOR
FURTHER DETAILS
HYDROSTATIC PUMP
PART #: 65783
SEE HYDROSTATIC PUMP
FOR FURTHER HYDRAULIC
FITTING DETAILS
TANK MOUNTED STRAINER
PART #: 65721
SEE HYDRAULIC OIL TANK
FOR FURTHER HYDRAULIC
FITTING DETAILS
AUXILIARY GEAR
PUMP (KUBOTA)
PART #: 65909
SEE
FOR FURTHER
HYDRAULIC
FITTING DETAILS
HYDRAULIC OIL TANK
(INLET PORT)
PART #: 65207
SEE HYDRAULIC OIL TANK
FOR FURTHER HYDRAULIC
FITTING DETAILS
HYDRAULIC OIL TANK
(RETURN PORT)
PART #: 65207
SEE HYDRAULIC OIL TANK
FOR FURTHER HYDRAULIC
FITTING DETAILS
HYDRAULIC MANIFOLD
PART #: 65635
SEE HYDRAULIC MANIFOLD
FOR COMPLETE HYDRAULIC FITTING DETAILS
RELIEF VALVE
PART #: 67306
SOLENOÏDE VALVE
PART #: 67305
ACTIVE STABILIZER
HYDRAULIC CYLINDER
PART #: 67298
SEE ACTIVE STABILIZER
ARM FOR COMPLETE HYDRAULIC
FITTING DETAILS
HYDRAULICS WHEELS MOTORS
PART #: 65787 SEE TRACTION
WHEELS & CALIPER FOR FURTHER
HYDRAULIC FITTING DETAILS
HYDRAULICS BRUSHES
MOTORS PART #: 60951
SEE SWEEPING BRUSH
FOR FURTHER HYDRAULICS
FITTINGS DETAILS
HYDRAULIC CYLINDER
PART #: 67298
SEE HYDRAULIC GUILLOTINE
ACTIVATION OPTION
FOR FURTHER HYDRAULICS
FITTINGS DETAILS
HYDRAULIC OIL COOLER
PART #: 65718
SEE OIL COOLER FOR FURTHER
HYDRAULIC FITTING DETAILS
HYDRAULIC OIL FILTER
PART #: 65720 SEE
HYDRAULIC OIL FILTER FOR
FURTHER HYDRAULIC
FITTING DETAILS
HYDRAULIC MANIFOLD BLOCK
PART #: 67744 SEE HYDRAULIC
MANIFOLD (NEW VERSION)
HYDRAULIC
UNLOADING
MANIFOLD BLOCK
(SEE DRAWING A80011
UNLOADING BLOCK)
A
A67875 - HYDRAULIC SCHEMA WITH ALL HYDRAULICS OPTIONS
(SERIAL NUMBER 17577 AND UP)
HYDRAULIC SCHEMA WITH ALL HYDRAULICS OPTIONS CONFIGURATION FOR EQUIPED PS 300 SERIAL NUMBER 17577 AND UP
MadVac Inc.
PS 300 Operator's & Parts Manual
August 2003, Revision: A

Table of Contents

Other manuals for MADVAC PS300