EasyManua.ls Logo

Mec 4069RT - Page 206

Mec 4069RT
256 pages
Print Icon
To Next Page IconTo Next Page
To Next Page IconTo Next Page
To Previous Page IconTo Previous Page
To Previous Page IconTo Previous Page
Loading...
March 2014
Page E-30
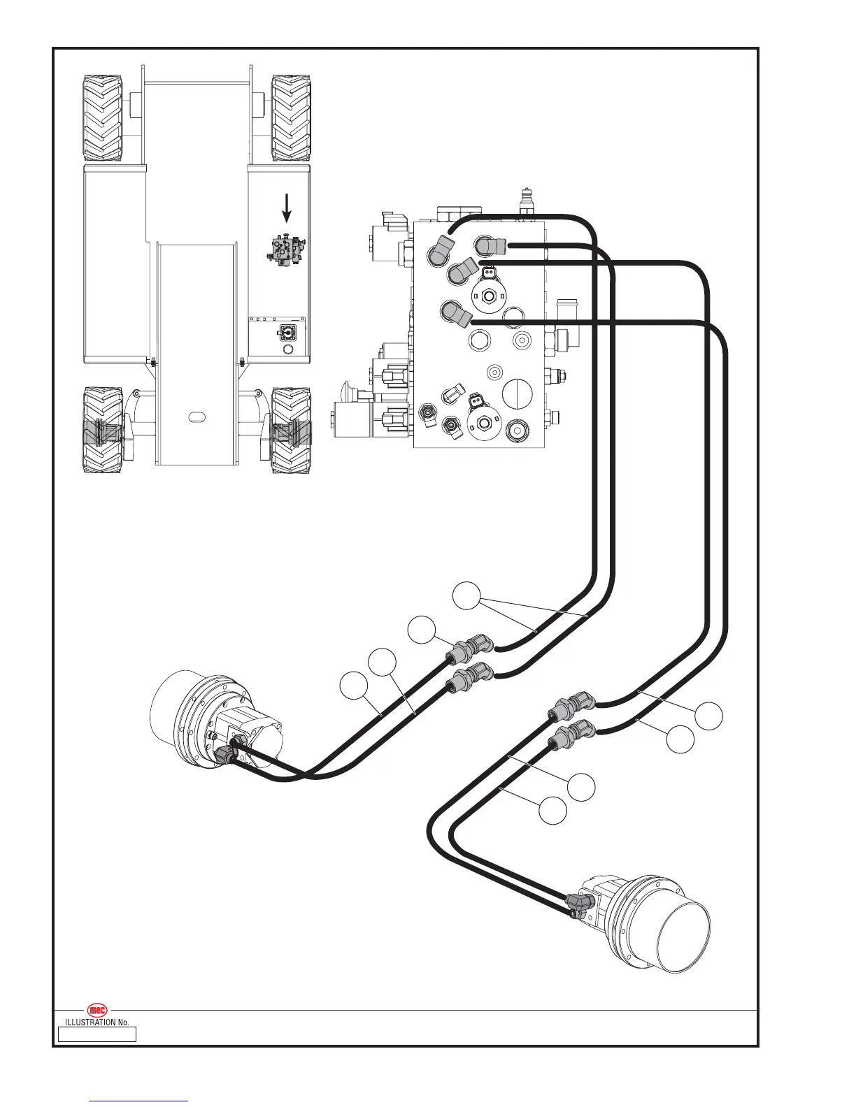
“4069RT” Parts Section
ART_4548
Drive Circuit -- Front Wheels4069
RFA
RFB
LFB
LFA
A
B
A
B
Left Front
Right Front
1
3x4
4
2
5
1
6
7

Table of Contents

Other manuals for Mec 4069RT

Related product manuals