EasyManua.ls Logo

MTE HYDROCAL1005 - 7.2.1 Configuring a Transformer for automatic History Data Update

MTE HYDROCAL1005
113 pages
Print Icon
To Next Page IconTo Next Page
To Next Page IconTo Next Page
To Previous Page IconTo Previous Page
To Previous Page IconTo Previous Page
Loading...
HYDROCAL 1005 Manual for Installation and Operation Page 101/111
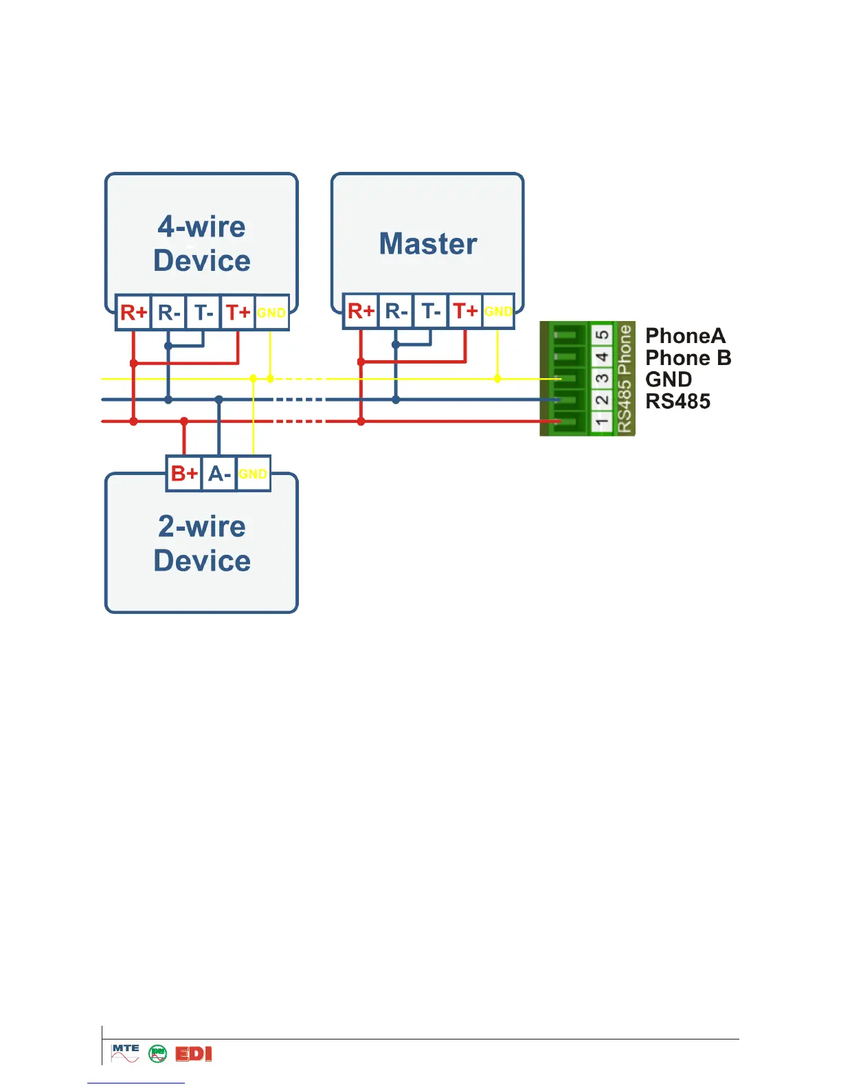
6. RS 485 Wiring
This chapter contains information for the wiring of the RS485 connection.
RS485
The RS485 interface is implemented as a three-wire interface. The three signal wires must be
clamped onto connector #7, pin 1, pin 2 and pin 3 inside of the HYDROCAL. Care must be taken for
the right polarity.
Termination, Biasing, Grounding and Protection of an RS485 Bus
Termination, biasing, grounding and protection of an RS485 Bus is a complex thing and far beyond
the scope of this document. A very good source of information related to these issues can be found
at www.bb-elec.com (see the section Tech Notes).

Table of Contents

Related product manuals