EasyManua.ls Logo

Omron NX-SID Series - Calculating the Total Current Consumption from the I;O Power Supply

Omron NX-SID Series
492 pages
Print Icon
To Next Page IconTo Next Page
To Next Page IconTo Next Page
To Previous Page IconTo Previous Page
To Previous Page IconTo Previous Page
Loading...
5 Installation and Wiring
5 - 8
NX-series Safety Control Unit Users Manual (Z930)
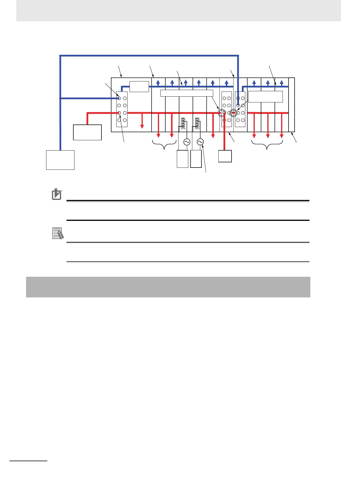
Example wiring diagrams are provided in the following figures for the different types of power supplies.
Precautions for Correct Use
Supply power from separate power supplies for the Unit power supply and the I/O power sup-
ply. If you supply power from the same power supply, noise may cause malfunctions.
Additional Information
Refer to the user's manual for the Communications Coupler Unit on design for power supply to
the Slave Terminal.
The total current consumption from the I/O power supply from the NX bus must be less than the maxi-
mum I/O power supply current of the Communications Coupler Unit or Additional I/O Power Supply
Unit. To confirm this and to calculate the I/O power supply capacity, calculate the total current consump-
tion of the I/O power supply from the NX bus.
The total I/O current consumption from the NX bus is the sum of the following: the current consumption
from the I/O power supply for the NX Units that receive power from the I/O power supply from the NX
bus, the current consumption of those I/O circuits, and the current consumption of connected external
devices.
The current consumption of external connection loads and connected external devices is not included
in the I/O power supply current consumption that is given for each model in the datasheets.
Calculate the total current consumption from the I/O power supply for the Safety I/O Units as follows:
Total Current Consumption from I/O Power Supply of Safety Input Unit
= (Current consumption from I/O power supply of Safety Input Unit) + (Input current of Safety Input
Unit × Number of inputs used) + (Total current consumption of connected external devices)
Total Current Consumption from I/O Power Supply of Safety Output Unit
= (Current consumption from I/O power supply of Safety Output Unit) + (Total connected load cur-
rent) + (Total current consumption of connected external devices)
5-2-3 Calculating the Total Current Consumption from the I/O Power
Supply
Unit power
supply terminals
Communications
Coupler Unit
Unit power
supply
(24 VDC)
I/O power
supply
I/O power
supply
Connected to
external devices
Connected
to external
devices
End Cover
I/O power
supply terminals
I/O power supply
(from external source)
NX Unit
Internal power
supply circuits
NX Unit
power supply
NX Unit power supply
I/O power supply is separated.
I/O power supply
is not separated.
Additional NX Unit
Power Supply Unit
Additional
I/O Power
Supply Unit
External
output
device
External
output
device
Connected
to
external
devices

Table of Contents

Related product manuals