EasyManua.ls Logo

Omron NX-SID Series - A-3-12 Multi-Axis Servo Drives (STO

Omron NX-SID Series
492 pages
Print Icon
To Next Page IconTo Next Page
To Next Page IconTo Next Page
To Previous Page IconTo Previous Page
To Previous Page IconTo Previous Page
Loading...
A - 57
Appendix
NX-series Safety Control Unit Users Manual (Z930)
A-3 Application Examples
A
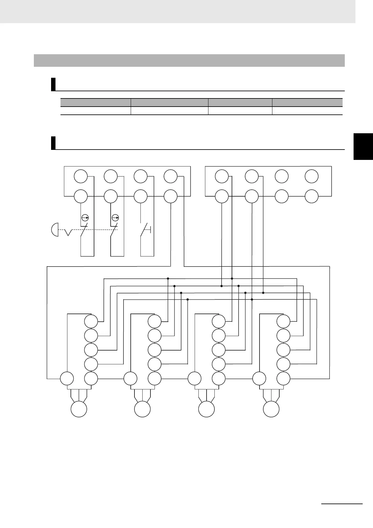
A-3-12 Multi-axis Servo Drives (STO)
All servomotors M stop when emergency stop pushbutton S1 is pressed.
A-3-12 Multi-axis Servo Drives (STO)
Application Overview
Safety category/PL Safety device Stop category Reset
Equivalent to 3/PLd Emergency stop pushbutton 0 (STO) Manual
Wiring
M M
Unit2 (NX-SIH400) Unit3 (NX-SOD400)
S1: Emergency stop pushbutton
S2: Reset switch
D1, D2, D3, and D4: Servo drives
M: Motor
So0 So1
IOG IOG
So2 So3
IOG IOG
S1
D1 D2 D3 D4
S2
Si0 Si1 Si2 Si3
T0 T1 T0 T1
M
EDM+
M
SF1+
SF1
SF2+
SF2
SF1+
SF1
SF2+
SF2
SF1+
SF1
SF2+
SF2
SF1+
SF1
SF2+
SF2
EDM+
EDM
EDM+
EDM
EDM+
EDMEDM

Table of Contents

Related product manuals