EasyManua.ls Logo

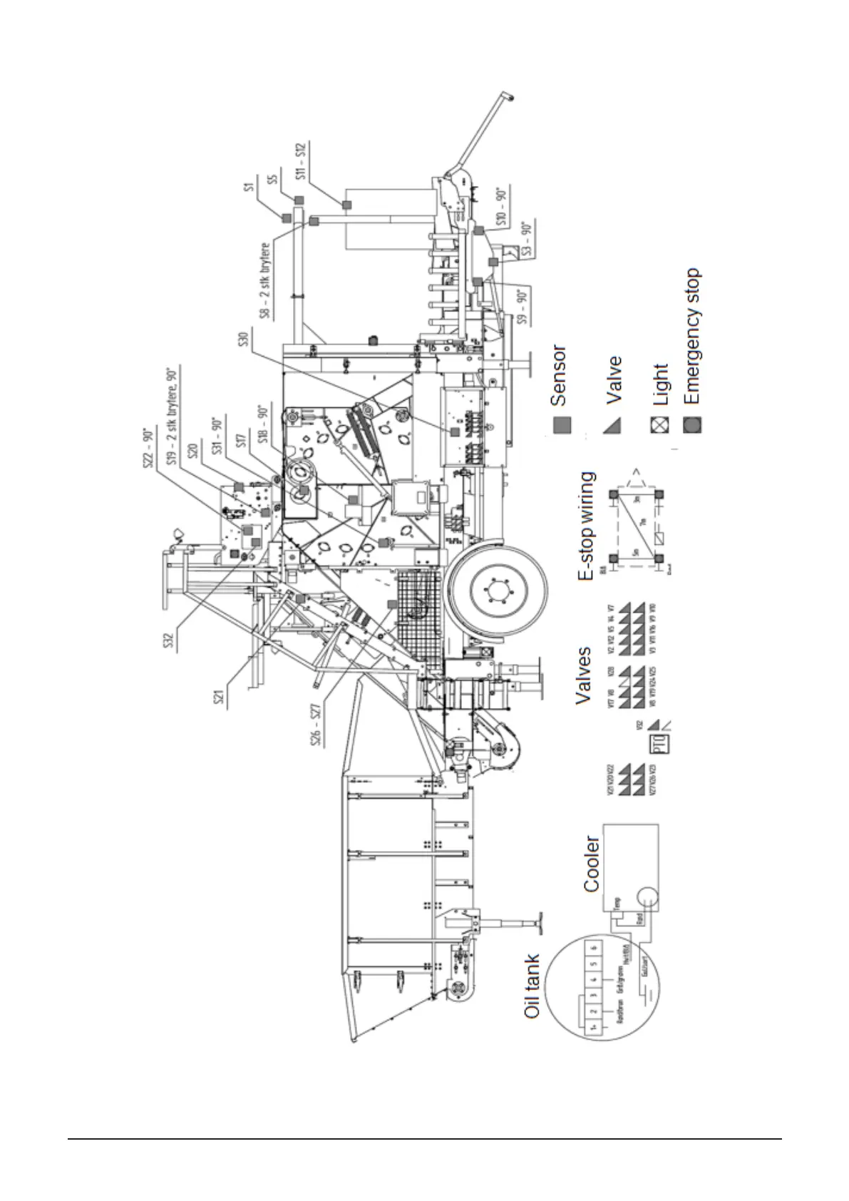
ORKEL MC850 - Sensor Overview

ORKEL MC850
116 pages
Print Icon
To Next Page IconTo Next Page
To Next Page IconTo Next Page
To Previous Page IconTo Previous Page
To Previous Page IconTo Previous Page
Loading...
10.2 SENSOR OVERVIEW
10 ELECTRICS 90

Table of Contents

Related product manuals