EasyManua.ls Logo

ORKEL MC850 - Complete Diagram

ORKEL MC850
116 pages
Print Icon
To Next Page IconTo Next Page
To Next Page IconTo Next Page
To Previous Page IconTo Previous Page
To Previous Page IconTo Previous Page
Loading...
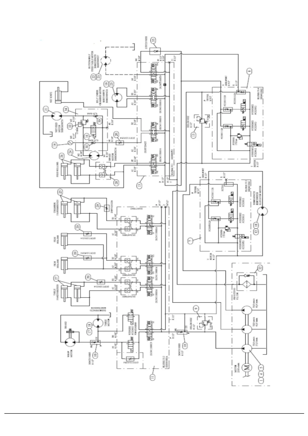
11.1.1 Complete diagram
11 HYDRAULICS 98

Table of Contents

Related product manuals