EasyManua.ls Logo

Oshkosh M1070 - Figure 3

Oshkosh M1070
832 pages
Print Icon
To Next Page IconTo Next Page
To Next Page IconTo Next Page
To Previous Page IconTo Previous Page
To Previous Page IconTo Previous Page
Loading...
MTS POWER CONVERTER FAILURE - Continued
29(563(('
/2
:$,
5
67
$
5
7
&7
,2)
)
21
&
7,
&21
752
//(5
0
2'(
/

CROSS COUNTRY
HIGHWAY
MUD SAN D & SNO W
9 MAX SPEED 45 MPH)
(MAX SPEED 30 MPH)
( MAX SPEED 15 MPH)
( MAX SPEED 5 MPH)
EMERGEN C
Y
&
+(
&
.
*
$
8
*
(
6
&
+
(&
.
(
1*
,1
(
$
,
5
/
2
:
7
5
$
,/
(
5
$,5
6
83
3
/
<
3$5
.,1*
%5$
.(
3
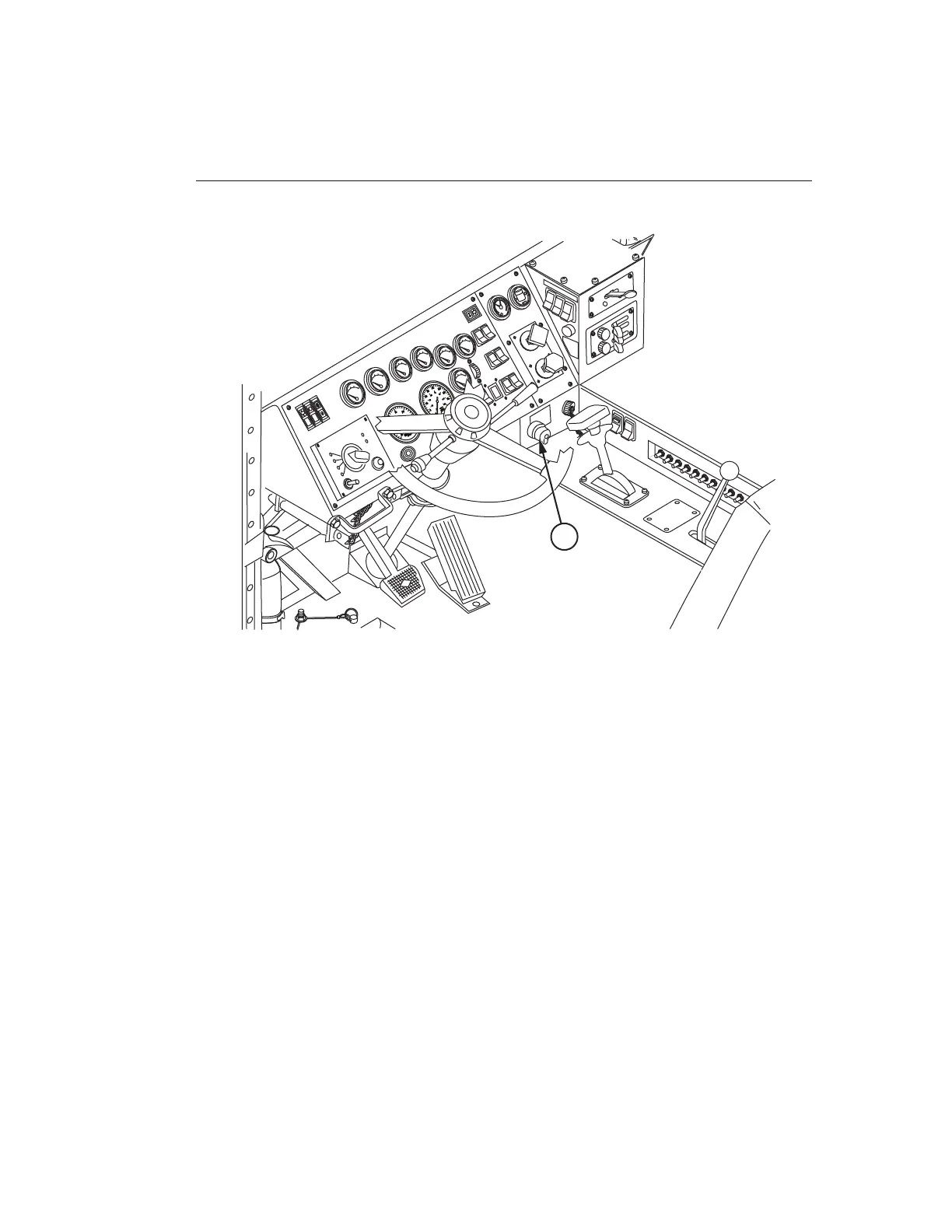
Figure 3.
4. Turn vehicle power switch (3) off. (WP 0018)
5. Exit vehicle, leaving doors open to ventilate cab.
////////////////////////////////////////////////////////////////////////////////////
TM 9-2320-360-10 0082
0082-3
////////////////////////////////////////////////////////////////////////////////////
////////////////////////////////////////////////////////////////////////////////////////////////////////////////////

Table of Contents

Related product manuals