EasyManua.ls Logo

OXXIUS L4Cc - Page 70

Default Icon
96 pages
Print Icon
To Next Page IconTo Next Page
To Next Page IconTo Next Page
To Previous Page IconTo Previous Page
To Previous Page IconTo Previous Page
Loading...
70
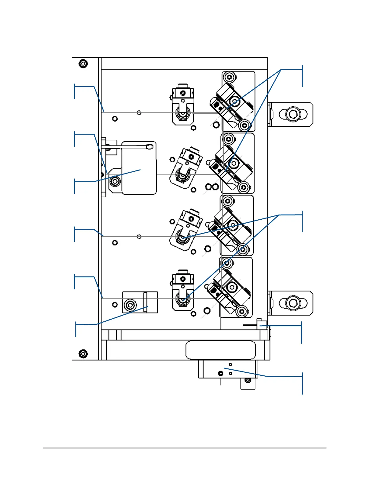
Figure 8-1: Inner elements of a combiner (example of an L4Cc with four sources)
Clean-up filter
Beam steering
mirrors
Laser source 1
Laser source 3
Beam positioners
Panel safety switch
Laser source 2
Output shutter
(channel 1)
Laser source 4
AOM

Table of Contents