EasyManua.ls Logo

Panasonic CPC-EX - Page 22

Panasonic CPC-EX
204 pages
Print Icon
To Next Page IconTo Next Page
To Next Page IconTo Next Page
To Previous Page IconTo Previous Page
To Previous Page IconTo Previous Page
Loading...
Chapter 2. System Overview
Section 300-Installation
2-4 DBS Manual - Revised April 2000 DBS-2.3/9.2-300
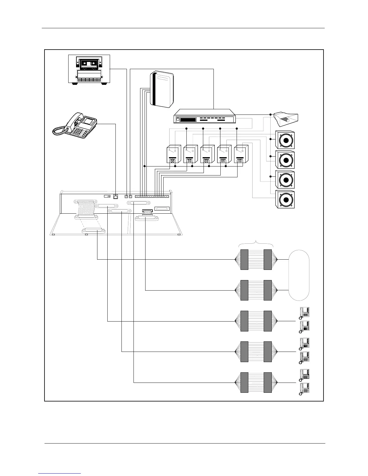
Figure 2-2. Trunk, line, and peripheral connections
A
#00 #01 #04#02 #03
Tape R ecorder
forM usic-On-Hold
and Background M usic
Test
Phone
SLT RingerBox
(VB-2089P)
Am plifier
CN11
CN12
CN5
CN13
CN3
CN14
CN15
CN1
CN1
CN2
CN4
Trunk Ports
1-24
Trunk Ports
25 -32
MDF
Extension Ports
1-24
Extension Ports
25 -48
Extension Ports
49 -72
All-Page
Speaker
Zone Pag
e
#01
Zone Pag
e
#02
Zone Pag
e
#04
Relays
Zone Pag
e
#03
CO

Table of Contents

Related product manuals