EasyManua.ls Logo

Panasonic SA-BT100P - Page 109

Panasonic SA-BT100P
174 pages
Print Icon
To Next Page IconTo Next Page
To Next Page IconTo Next Page
To Previous Page IconTo Previous Page
To Previous Page IconTo Previous Page
Loading...
1
P1
3
P2
2
TO DIGITAL
SECTION (1/2)
(PRO2 DDR2 CH0)
: +B SIGNAL LINE
A
DIGITAL (PRO2 DDR2 CH0) CIRCUIT
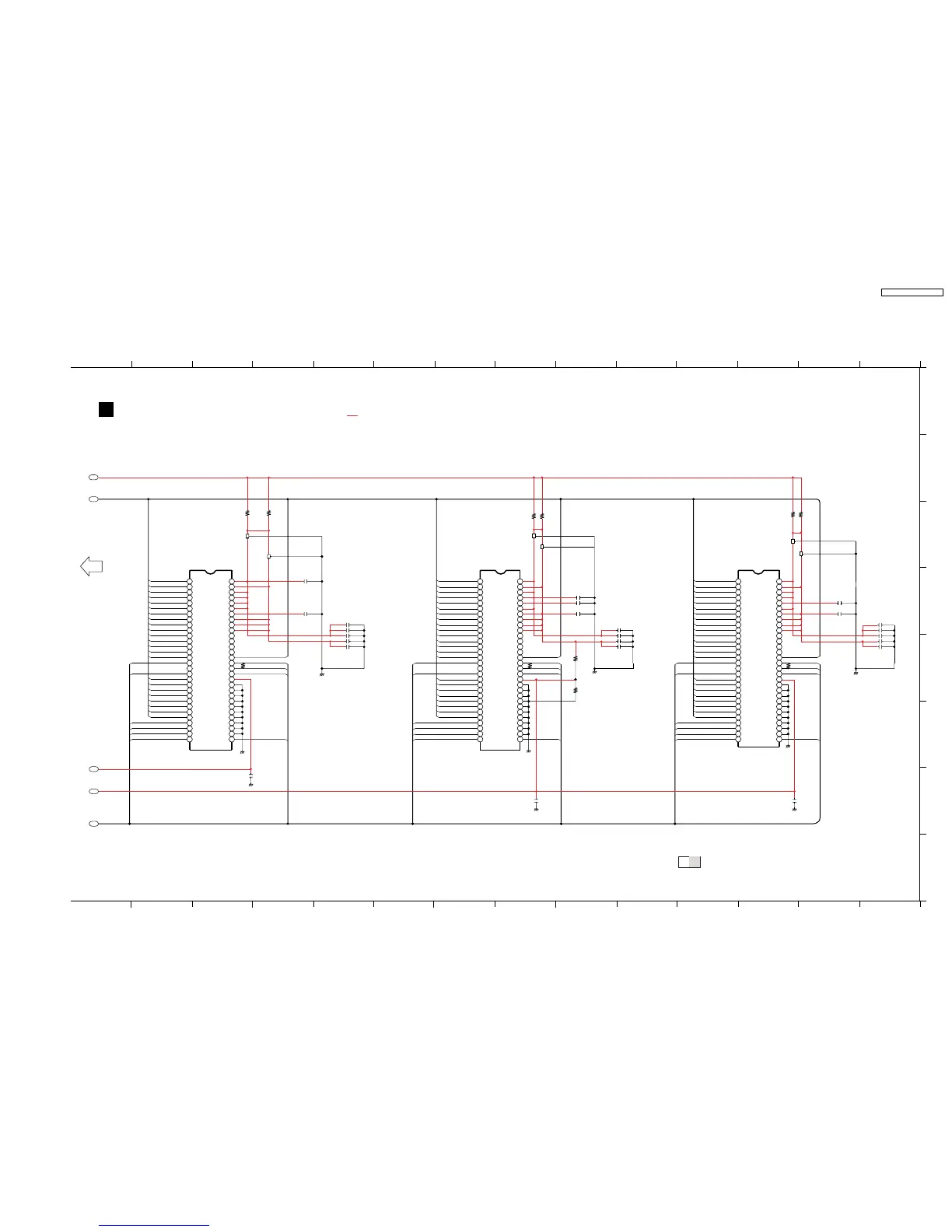
SCHEMATIC DIAGRAM - 13
SA-BT100P/PC DIGITAL (PRO2 DDR2 CH0) CIRCUIT
1/2 2/2
15 16 17 18 19 20 21 22 23 24 25 26 27 28
15 16 17 18 19 20 21 22 23 24 25 26 27 28
A
B
D
E
F
H
G
C
C0XCKC0XCK
0
LB52002
0
LB52001
F1H0J4740004
FL52001
F1H0J4740004
FL52002
C0BA0
C0BA1
F1H0J4740004
FL52003
F1H0J4740004
FL52004
LB52007
0
0
LB52008
10
C52018
C52030 0.1
0.1C52150
0.1C52147
0.1C52144
0.1C52143
C0CK
C0BA2
C52016
10
C0A6
C0A10
C0A8
C0A9
C0A12
C0A11
C0A7
10
C52011
C0A0
C0A1
C0DM3
C0A4
C0A5
C0A2
C0A3
C0CK
C0BA2
0.1C52160
0.1C52153
0.1C52154
0.1C52157
0.1C52156
C52006 10
C0BA0
C0BA1
C0A9
C0A8
C0A11
C0A0
C0A2
C0A3
C0A5
C0A4
C0A1
C0DM2
C0A10
C0A12
C0A6
C0A7
C0XCAS
C0DQ16
C0DQ22
C0DQ17
C0XRAS
C0XCAS
C0DQ28
C0DQ27
C0DQ29
C0XRAS
C52036
0.1
C0ODT
C0XCS1
C0XWE
C52004
0.1
C0ODT
C0XCS1
C0XWE
C0CKEC0DS2
200
R52011
C0CKEC0DS3
200
R52012
C0DQ20
C0DQ19
C0DQ18
C0DQ23
C0DQ21
270
R52019
270
R52018
C0DQ26
C0DQ31
C0DQ30
C0DQ24
C0DQ25
6
55
9
52
11
10
51
50
7
54
8
2
5
3
4
53
58
56
57
22 39
25
24
36
37
27
30
28
29
26
33
34
31
32
35
3823
18
43
19 42
15
13
12
14
48
46
47
49
17
16
44
45
4021
4120
1
60
59
IC52001
C3ABSC000018
6
55
9
52
11
10
51
50
7
54
8
2
5
3
4
53
58
56
57
22 39
25
24
36
37
27
30
28
29
26
33
34
31
32
35
3823
18
43
19 42
15
13
12
14
48
46
47
49
17
16
44
45
4021
4120
1
60
59
C3ABSC000018
IC52002
C52085
0.1
C0ODT
C0XCS0
C0XWE
C0XCAS
C0DQ9
C0DQ11
C0DQ14
C0XRAS
C0DQ8
10
C52094
C52086
10
LB52017
0
F1H0J4740004
FL52017
F1H0J4740004
FL52018
0
LB52018
0.1C52173
C0XCK
C0CKE
0.1C52174
0.1C52177
0.1C52176
0.1C52180
C0CK
C0BA2
200
R52027
C0A9
C0A8
C0A11
C0A0
C0A2
C0DM1
C0A3
C0A6
C0A5
C0A10
C0A12
C0A7
C0A4
C0A1
C0DQ10
C0DQ12
C0DQ13
C0DQ15
C0DS1
6
55
9
52
11
10
51
50
7
54
8
2
5
3
4
53
58
56
57
22 39
25
24
36
37
27
30
28
29
26
33
34
31
32
35
3823
18
43
19 42
15
13
12
14
48
46
47
49
17
16
44
45
4021
4120
1
60
59
C3ABSC000018
IC52010
C0BA0
C0BA1
(3A)VSS
(9F)ODT
(8B)VSSQ
(8D)VSSQ
(3E)VSS
(9K)VSS
(2D)VSSQ
(2B)VSSQ
(7A)VSSQ
(8F)CK#
(2F)CKE
(9E)VDD
(1A)VDD
(9H)VDD
(8E)CK
(8L)A13
(2A)NC
(3L)NC
(1G)NC
(7L)NC
(1L)VDD
(1E)VDDL
(9A)VDDQ
(7C)VDDQ
(9C)VDDQ
(3C)VDDQ
(1J)VSS
(7E)VSSDL
(1C)VDDQ
(2E)VREF
DQ6(1B)
DQ7(9B)
DQ2(7D)
DQ1(2C)
DQ4(1D)
DQ3(3D)
WE#(3F)
DQ0(8C)
CS#(8G)
RAS#(7F)
CAS#(7G)
DQ5(9D)
A2(7H)
A1(3H)
A4(8J)
A8(8K)
A7(2K)
BA1(3G)
BA0(2G)
A11(7K)
A10(2H)
A12(2L)
A9(3K)
A5(3J)
A6(7J)
A3(2J)
LDM(3B)
A0(8H)
LDQS(7B)
LDQS#(8A)
DQ0(8C) (7A)VSSQ
(2D)VSSQDQ1(2C)
CS#(8G)
(8D)VSSQCAS#(7G)
WE#(3F) (9F)ODT
RAS#(7F) (8B)VSSQ
A7(2K)
A9(3K)
A8(8K) (3C)VDDQ
(7C)VDDQ
(9E)VDD
(9H)VDD
(1A)VDD
(1C)VDDQ
(1L)VDD
(1E)VDDL
A12(2L)
BA0(2G)
BA1(3G)
A10(2H)
A11(7K)
(7E)VSSDL
(3A)VSSDQ5(9D)
DQ4(1D) (3E)VSS
(2E)VREFDQ7(9B)
(8E)CK
A0(8H)
LDM(3B)
A3(2J) (2A)NC
A2(7H) (3L)NC
(1G)NC
A12(2L)
A11(7K)
BA0(2G)
BA1(3G)
(9H)VDD
(1A)VDD
(1C)VDDQ
(9E)VDD
A7(2K)
A5(3J)
A4(8J)
A6(7J)
A10(2H)
A9(3K)
A8(8K)
(9A)VDDQ
(7C)VDDQ
(9C)VDDQ
(1L)VDD
(1E)VDDL
(3C)VDDQ
A1(3H) (7L)NC
(8L)A13
(2F)CKELDQS(7B)
(8F)CK#LDQS#(8A)
(1J)VSSDQ6(1B)
(9K)VSSDQ3(3D)
DQ2(7D) (2B)VSSQ
(7A)VSSQ
(9F)ODT
(8D)VSSQ
(8B)VSSQ
(7E)VSSDL
DQ0(8C)
CS#(8G)
WE#(3F)
CAS#(7G)
RAS#(7F)
DQ4(1D)
DQ3(3D)
LDQS#(8A)
LDQS(7B)
A1(3H)
A0(8H)
A4(8J)
A3(2J)
A6(7J)
A5(3J)
A2(7H)
LDM(3B)
DQ6(1B)
DQ5(9D)
DQ7(9B)
(2F)CKE
(1J)VSS
(7L)NC
(3L)NC
(8E)CK
(1G)NC
(2A)NC
(8L)A13
(8F)CK#
(2E)VREF
(3E)VSS
(9K)VSS
(3A)VSS
(9C)VDDQ
(9A)VDDQ
(2D)VSSQDQ1(2C)
(2B)VSSQDQ2(7D)
DH : DIGITAL (DAC HDMI) : SCHEMATIC DIAGRAM -1 ~ 2
DN : DIGITAL (DIGITAL NET) : SCHEMATIC DIAGRAM - 3 ~ 4
PK : DIGITAL (PEAKS PRO2) : SCHEMATIC DIAGRAM - 5 ~ 6
AI : DIGITAL (AUDIO I/O) : SCHEMATIC DIAGRAM - 7
PE : DIGITAL (PRO2 PERI) : SCHEMATIC DIAGRAM - 8 ~ 9
EX : DIGITAL (PRO2 EXBUS) : SCHEMATIC DIAGRAM - 10 ~ 11
D0 : DIGITAL (PRO2 DDR2 CH0) : SCHEMATIC DIAGRAM - 12 ~ 13
D1 : DIGITAL (PRO2 DDR2 CH1) : SCHEMATIC DIAGRAM - 13 ~ 14
ET : DIGITAL (PRO2 ETHER) : SCHEMATIC DIAGRAM - 16
DDR2 SDRAM
DDR2 SDRAM
DDR2 SDRAM
SA-BT100P / SA-BT100PC
109

Table of Contents

Related product manuals