EasyManua.ls Logo

Panasonic SA-BT100P - Page 130

Panasonic SA-BT100P
174 pages
Print Icon
To Next Page IconTo Next Page
To Next Page IconTo Next Page
To Previous Page IconTo Previous Page
To Previous Page IconTo Previous Page
Loading...
P1
3
1
2
6
1/2 2/2
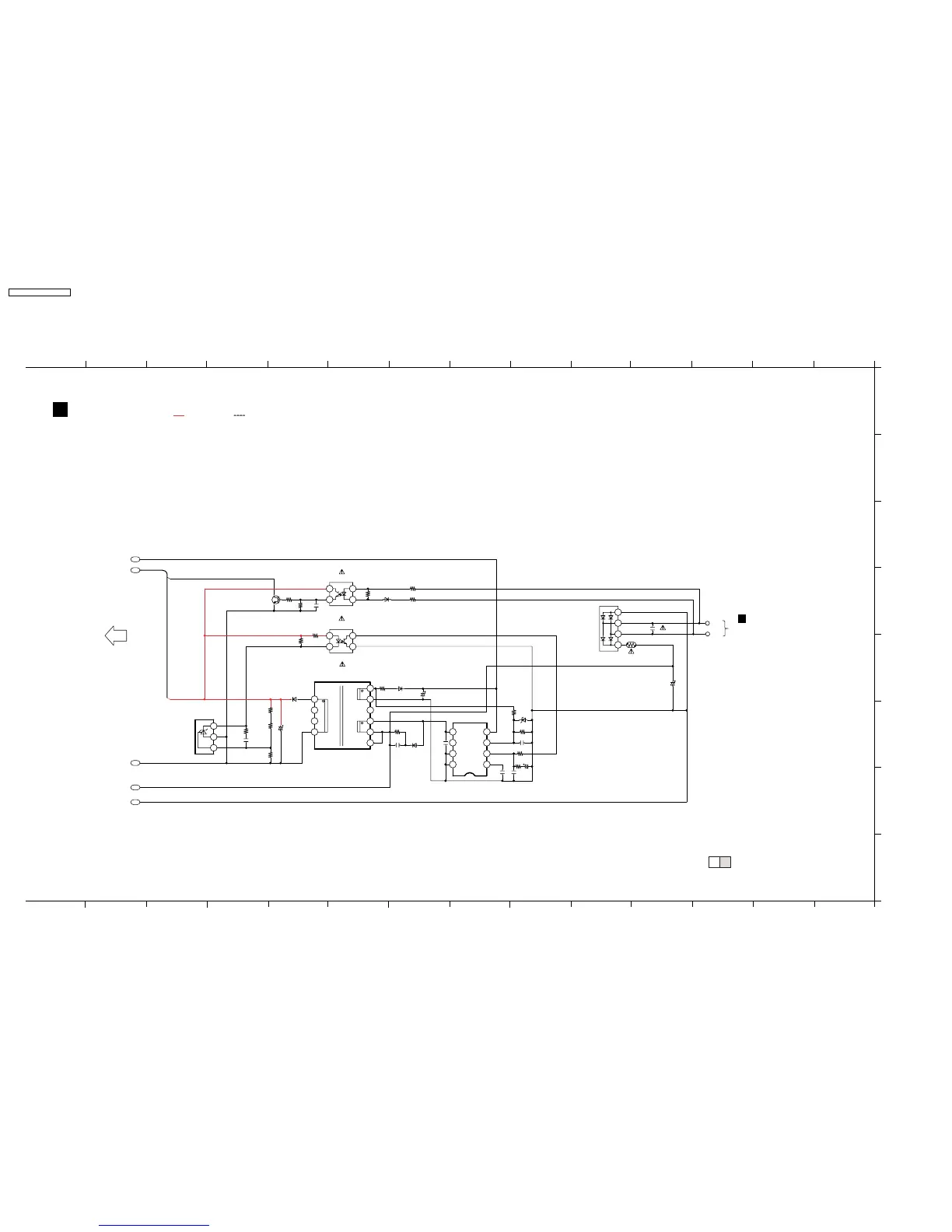
SA-BT100P/PC SMPS CIRCUIT
TO SMPS
SECTION (1/2)
L
SCHEMATIC DIAGRAM - 34
SMPS CIRCUIT
: +B SIGNAL LINE : -B SIGNAL LINE
15 16 17 18 19 20 21 22 23 24 25 26 27 28
15 16 17 18 19 20 21 22 23 24 25 26 27 28
A
B
D
E
F
H
G
C
BLK
RED
SYS6V
200V820
C5712
6
7
5
2
4
3
81
IC5799
MIP4110MSSCF
47P
C5797
R5795
43K
D5797
MA2J72800L
22P
C5794
R5787
75K
2.2K
R5796
50V2.2
C5791
0.1
C5796
2200P
C5795
R5797
4.7K
C5703
ECQU2A104MLC
0.1
3
2
1
4
B0FBAR000041
D5701
39K
R5893
SYNC
C5899
16V220
D5730
MA2YF8000L
D5798
B0EAMM000057
390K
R5704
390K
R5705
R5798
10
C5798
50V56
4
3
1
2
PC5702
B3PBA0000402
4
3
1
2
B3PBA0000402
PC5799
100
R5897
Q5898
IC5899
C0DAEMZ00001
B1ABCF000176
R5896
100K
R5898
820K
C5897
0.1
2.2K
R5890
1K
R5894
B0EAMM000057
D5896
B0HAMP000094
D5793
C5790
2200P
R5891
33K
200K
R5786
9
10
7
8
1
6
ETS19AB281AG
BACKUP TRANSFORMER
SWITCHING REGULATOR
T5751
2.7K
R5892
1K
R5895
0.1
C5898
A
R
3
2
C
1
INVERTER
SYNC SWITCH
FEED BACK
FB
S
S
D
NC
VDD
CL
VCC
5
4
2
3
M
TO
AC INLET CIRCUIT
IN SCHEMATIC
DIAGRAM - 35
SHUNT REGULATOR
TH5701
D4CAA2R20001
SA-BT100P / SA-BT100PC
130

Table of Contents

Related product manuals