EasyManua.ls Logo

Pfaff 3801-3/07 - Circuit Diagrams

Pfaff 3801-3/07
126 pages
To Next Page IconTo Next Page
To Next Page IconTo Next Page
To Previous Page IconTo Previous Page
To Previous Page IconTo Previous Page
Loading...
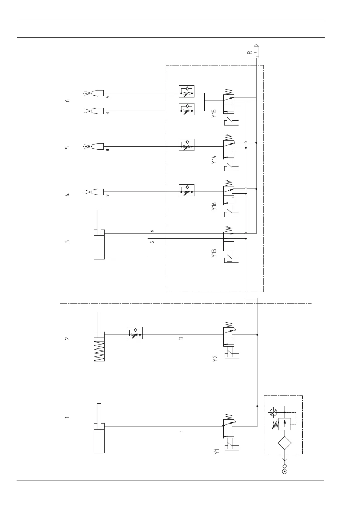
15 - 1
15 Schaltpläne
Front tape feed
(3801-11/071)
Pneumatics-switch diagram
Version 26.08.05
91-196 284-95
Automatic foot lift
Thread trimmer
(3801-3/071 and
3801-11/071)
Tape trimmer
(3801-11/071)
Front tape feed
(3801-11/071)
Front and top
tape feed
(3801-11/071)

Table of Contents

Related product manuals