EasyManua.ls Logo

Philips DVDR75/001 - UP Sub Board: Fan Control (FACO)

Philips DVDR75/001
260 pages
Print Icon
To Next Page IconTo Next Page
To Next Page IconTo Next Page
To Previous Page IconTo Previous Page
To Previous Page IconTo Previous Page
Loading...
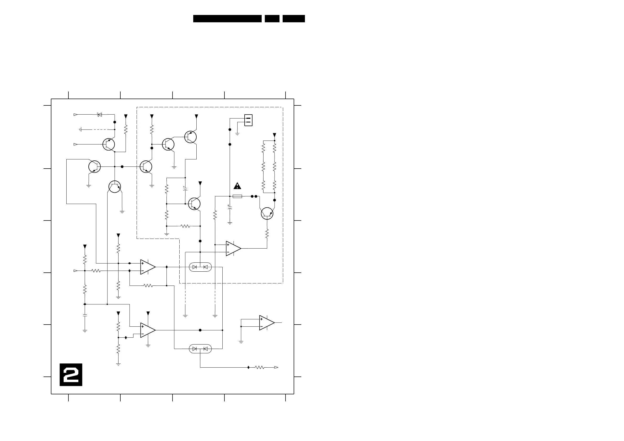
Circuit Diagrams and PWB Layouts
EN 129DVDR70 & DVDR75/0x1 7.
UP Sub Board: Fan Control (FACO)
123 4
A
B
C
D
E
A
B
C
from CECO
1%
not used
F904 B4
F905 A1
F906 A2
F907 A2
F908 B4
F909 C3
F910 E3
I903 C2
I904 C2
I905 C2
I906 E2
I907 E4
I908 D1
delete for SET FAN
GNDD
7902-1 C2
7902-2 D2
7902-3 C4
7902-4 D4
7903 A1
7904 A3
7905 A3
7906 A1
7907 A2
7908 B1
7909 B4
7910 B3
F901 A4
not used
F902 A4
F903 B4
3926 A2
3927 D2
3928 C3
3929 A4
3930 A4
3931 A4
3932 B4
3933 B4
3934 A4
4901 A1
4902 D3
4903 D3
6901 E3
6902 A1
6903 C3
1%
3920 E1
3921 E4
3922 C1
3923 E1
3924 A2
3925 D1
123 4
delete for SET FAN
not used
from CECO
for SET FAN only
to FAN
from CECO
MOT
1%
to CECO
D
E
1301 B4
1901 A4
2911 D1
2912 B3
2913 B4
3913 B2
3914 C4
3915 B3
3916 D1
3917 C1
3918 B2
3919 C1
1K0
3922
I903
470R
3921
F910
F909
F907
F908
F906
F905
4901
3930
22R
36K
3917
4902
7902-4
LM324D
12
13
14
7902-2
LM324D5
6
7
4
11
GNDD
12VSTBY
GNDD
GNDD
3926
4K7
2912
100u
I904
10K
3923
LM324D
10
9
8
GNDD
7902-3
3914
1K0
GNDD
3915
1K0
4903
GNDD
F902
F903
PDTC124EU
7905
3918
1K0
GNDD
BAT254
6902
3V3STBY
3924
10K
5VSTBY
PDTC124EU
7903
F904
PDTC124EU
7908
GNDD
7907
PDTC124EU
100u
2913
PDTA124EU
7904
2911
1n0
1K0
3913
I905
I908
7909
BC636
12VSTBY
GNDD
10K
3925
12VSTBY
3
2
1
3919
7902-1
LM324D
EH-S
1
2
33K
1901
5K6
3920
I907
3916
27K
3932
12VSTBY
22R
3933
22R 22R
3931 3929
22R
22R
3934
GNDD
3927
33K
12VSTBY
12VSTBY
PDTC124EU
7906
6903
BAV70W
GNDD
315mA
1301
F
I906
PDTC124EU
7910
6901
BAV70W
GNDD
GNDD
GNDD
F901
12VSTBY
GNDD
TEMP_SENSE
18K
3928
STBY
BE_FAN
FAN_OFF
TR 06032_001
030203

Table of Contents

Related product manuals