EasyManua.ls Logo

Philips DVDR75/001 - 9.4.4 Video-routing

Philips DVDR75/001
260 pages
Print Icon
To Next Page IconTo Next Page
To Next Page IconTo Next Page
To Previous Page IconTo Previous Page
To Previous Page IconTo Previous Page
Loading...
Circuit-, IC descriptions and list of abbreviations
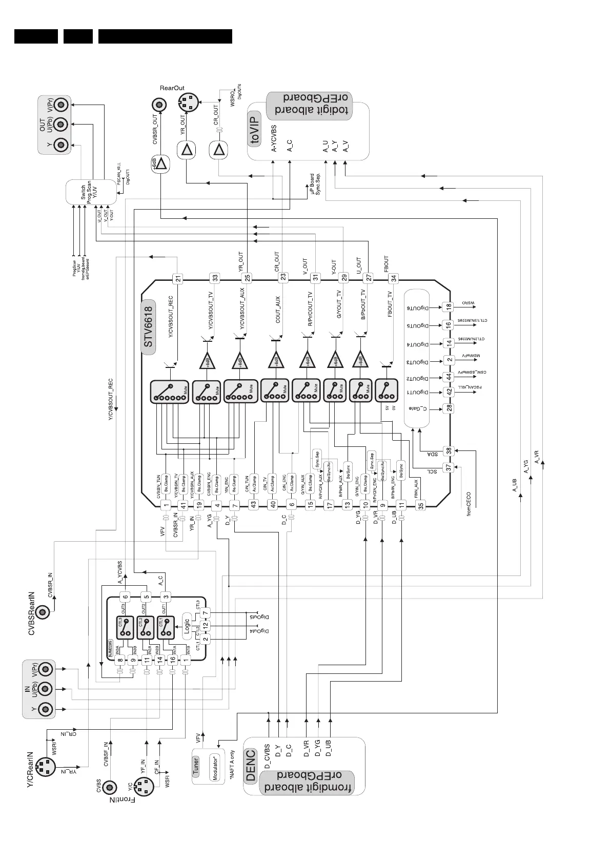
EN 180 DVDR70 & DVDR75/0x19.
9.4.4 Video-routing
Figure 9-3
Video IO Nafta

Table of Contents

Related product manuals