EasyManua.ls Logo

Philips DVDR75/001 - 9.6.2 Block Diagram; Block Diagram DVIO1.8

Philips DVDR75/001
260 pages
Print Icon
To Next Page IconTo Next Page
To Next Page IconTo Next Page
To Previous Page IconTo Previous Page
To Previous Page IconTo Previous Page
Loading...
Circuit-, IC descriptions and list of abbreviations
EN 185DVDR70 & DVDR75/0x1 9.
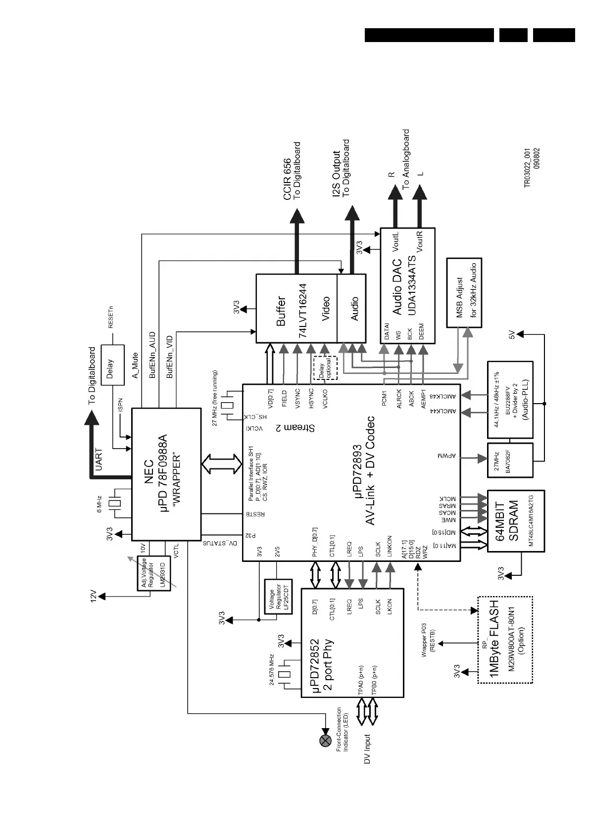
9.6.2 Block Diagram
Block Diagram DVIO1.8
Figure 9-7

Table of Contents

Related product manuals