EasyManua.ls Logo

Philips DVDR75/001 - DVIO Board: 1394 Interface

Philips DVDR75/001
260 pages
Print Icon
To Next Page IconTo Next Page
To Next Page IconTo Next Page
To Previous Page IconTo Previous Page
To Previous Page IconTo Previous Page
Loading...
EN 132DVDR70 & DVDR75/0x1 7.
Circuit Diagrams and PWB Layouts
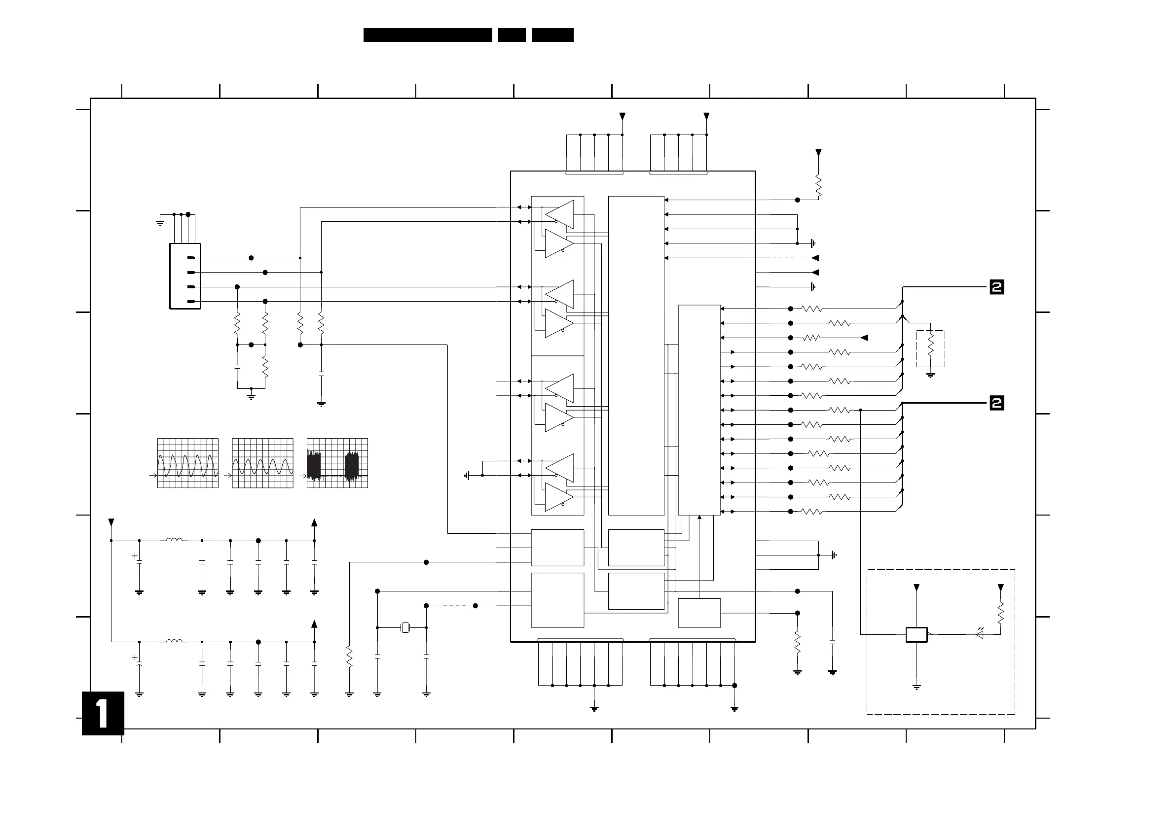
DVIO Board: 1394 Interface
1
PORT0
CABLE
PORT1
VOLTAGE
AND
CURRENT
GENERATOR
AVDDDVDD
AGNDDGND
ARBITRATION
CABLE
POWER
STATUS
CRYSTAL
OSCILLATOR
PLL
SYSTEM
AND
TRANSMIT
CLOCK
GENERATOR
AND CONTROL
STATE MACHINE
LOGIC
LINK
INTERFACE
I/O
RECEIVE DATA
DECODER AND
RETIMER
TRANSMIT DATA
ENCODER
CABLE
5401 F1
F420 C7
2418 F2
2419 F2
3410 C8
5400 E1
3400 C8
7401 E8
B
C
to be 9K1 0.5%
F0103 B2
4402 E4
8
A
1%
F
F424 C7
E
F0104 B2
F0106 A1
F
3404 C2
3405 C2
F421 A7
F422 E7
2420 F2
3402 C2
F417 C7
F418 C7
2416 F1
2417 F2
F419 C7
6401 F9
D
3412 E9
F122 C2
F400 C7
7400 A4
1%
9
F0102 B2
3424 D8
4401 B7
567
A
B
C
D
E
F403 D7
3403 B8
F405 D7
F406 D7
F407 D7
F423 E4
F414 F2
3401 C2
F416 B7
2413 F3
2415 F1
3406 C2
3407 A8
3408 F7
3409 F3
F425 E7
3411 C9
1%
FROM FRONT
1%
only for development
3421 D8
F0101 B2
3423 D8
789
1
2402 C2
234
1400 F3
only for development
F401 D7
F402 C2
F408 D7
F404 D7
F410 E4
F411 E3
F412 F7
F413 E4
2403 E1
F415 C7
2404 E1
2405 E2
2406 E2
2407 E2
2408 E2
2412 F4
3420 D8
34
1394 INTERFACE
3413 C8
3414 C8
1
DV INPUT PCB
GND
2401 C2
2
3415 C8
3416 C8
3417 C8
3418 D8
3419 D8
3422 D8
2400 F8
56
1901 B1
F409 E2
3V3_D
F409
100n
2405
TLMH3100
6401
F415
3403
22R
GND
1901
5678
1
2
3
4
GND
10K
3407
F412
F403
F122
GND
F0104
100n
2406
10p
2413
2418
100n
3V3_A
GND
GND
GND
GND
GND
56R
3404
22R
3424
F0106
F414
4401
GND
GND
4
3V3_A
F418
74LVC1GU04
7401
2
3
5
2407
100n
GND
2403
47u
1u
2401
GND
GND
CX-11F
1400
24M576
2404
100n
F422
3411
10K
GND
F416
3415
22R
330R
3412
22R
2420
100n
3408
100K
3413
GND
GND
F401
3V3_A
F402
4402
F413
22R
3420
GND
3405
56R
GND
GND
F0102
3V3_D
F400
F405
F404
2419
100n
3V3
F408
GND
GND
3406
5K1
F0103
100n
2416
100MHZ
5401
3400
10K
56R
3402
2417
100n
10p
2412
3423
22R
100n
2400
22R
3422
22R
3418
F425
F417
F424
22R
3416
TPBIAS148
XI23
XO22
GND GND
TPA0N
39 TPA0P
45 TPA1N
46 TPA1P
36 TPB0N
37 TPB0P
43 TPB1N
44 TPB1P
TPBIAS041
PC2 28
RESETB 55
RI134
SCLK 2
SPD
61
19SUS|RES
TEST
62
38
60
IC(AL)1
29
IC(AL)2
51
IC(DL)
3
LKON 58
LPS 59
LREQ 63
PC0 26
PC1 27
16
21
57
64
DIRECT 50
4
10
20
56
11D2
12D3
14D4
15D5
17D6
18D7
1
7
13
47
54
CMC 30
CPS 32
CTL0 5
CTL1 6
8D0
9D1
24
33
35
42
49
52
53
25
31
40
UPD72852
7400
3V3_D
F421
3V3_D
F0101
3421
22R
GND
3419
22R
3V3_D
F419
22R
3414
3417
22R
22R
3410
F407
F420
F423
GND
3V3_D
47u
2415
270p
2402
F411
F410
8K2
3409
3V3_A
GND
3401
56R
5400
100MHZ
F406
100n
2408
SCLK
LREQ
LPS
CTL0
CTL1
LKON
GND
PHY_D(5)
PHY_D(4)
PHY_D(3)
PHY_D(7)
PHY_D(2)
PHY_D(1)
PHY_D(0)
PHY_D(0:7)
{CTL0,CTL1,SCLK,LKON,LPS,LREQ}
LPS
PHY_D(6)
TR03014_002
040203
F410
A: DC, 1 V/Div, 20ns/Div
F411
A: DC, 1 V/Div, 20us/Div
F400/F401
A: DC, 1 V/Div, 20ns/Div

Table of Contents

Related product manuals