EasyManua.ls Logo

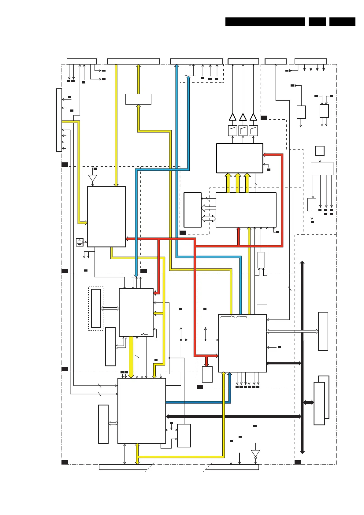
Philips DVDR75/001 - Block Diagram Digital Board

Philips DVDR75/001
260 pages
Print Icon
To Next Page IconTo Next Page
To Next Page IconTo Next Page
To Previous Page IconTo Previous Page
To Previous Page IconTo Previous Page
Loading...
Circuit-, IC descriptions and list of abbreviations
EN 183DVDR70 & DVDR75/0x1 9.
Block Diagram Digital Board
Figure 9-4
VERSATILE
STREAM
MANAGER
4M*16
SDRAM
7102
7100
7101
BE_BCLK
BE_WCLK
BE_DATA_RD
BE_DATA_WR
BE_SYNC
BE_FLAG
BE_V4
SYSCLK_VSM
UART1
UART2VSM_M_A(13:0)
VSM_M_D(15:0)
VSM_M_CTRL
EMI_D(15:0)
EMI_A(21:1)
EMI_CTRL
D_PAR_D(7:0)
D_PAR_CTRL
VE_DATA(7:0)
VIP_YUV(7:0)
PLL
74HCT9046AD
VIP_FID
DSn
DTACKn
VIP_ICLK
VIP_FIDACC_PWM
ACC_PWM
AE_BCLK_VSM
AE_WCL_VSM
AE_DATAO
SERVO BOARD
SERVO BOARD
1100
MPEG
AV
DECODER
STi5508
NVRAM
4M*16
SDRAM
7201
7200
7300
EMI_D(15:0)
EMI_A(21:1)
EMI_CONTROL
D_PAR_D(7:0)
D_PAR_CTRL
SCL
SDA
SCL
SDA
AD_BCLK
AD_DATAO
AD_WCLK
AD_SPDIF
R_OUT
G_OUT
B_OUT
C_OUT
CVBS_OUT
Y_OUT
P_SCAN_YUV(7:0)
5508_HS
5508_ODD_EVEN
HD_M_AD(13:0)
HD_M_DQ(15:0)
HD_M_CTRL
AD_ACLK
AD_ACLK
AD_ACLK
(playback)
AE_ACLK
(record)
SAA6752H
EMPRESS
256K*16
SRAM
4M*16
SDRAM
7402
7403
7401
VIP_YUV(7:0)
AE_DATAI
SCL
SDA
VIP_HS
VIP_VS
VIP_ICLK
SAA7118
VIP
7500
7501
VIP_YUV(7:0)
SCL
SDA
DV_IN_DATA(7:0)
DV_IN_VS
DV_IN _HS
DV_IN_CLK
VIP_HS
VIP_FID
VIP_VS
VIP_ICLK
V_IN_7118
R_IN_7118
U_IN_7118
B_IN_7118
Y_IN_7118
G_IN_7118
C_IN_7118
CVBS_Y_IN_7118_A
CVBS_Y_IN_7118_B
CVBS_Y_IN_7118_C
24M576
DVIO BOARD
LOAD_DVN
9
2
RESETN_DIVIO
ANALOG
BOARD
ANALOG
BOARD
ANALOG
BOARD
ANALOG
BOARD
SERVICE
INTERFACE
POWER SUPPLY
1600
1603
1601
1602
1901
1900
+3V3
+12V
+5V
-5V
ION
6
88
1
ION
IRESET_DIG
BE_FAN
5
2
VIP_FB
7902
7702
RESET
RESET
LOGIC
6
2
2
IRESET_DIG
RESETn
RSTN_BE
RSTN_DVIO
RESETn_BE
RESETn_DVIO
7904
7900
7906
27MHz
SYSCLK_EMPRESS
SYSCLK_PROGSCAN
SYSCLK_VSM_5508
CLOCK
BUFFER
MK2703S
ACC_ACLK_PLL
1
2
8
7
1
4
OSC
YUV_IN(7:0)
7700
DATA ADDRESS CTRL
7800
7801
7802
7803
7803
1800
CLK_27MHZ
CLK_27MHZ
Y_OUT(9:0)
U_OUT(9:0)
V_OUT(9:0)
HSOUT
VSOUT
DAC_A
DAC_B
DAC_C
Y
Cb
Cr
SCL
SDA
SCL
SDA
SDRAM
64M*32
FLI2200
VIDEO
DEINTERLACER
LINE DOUBLER
ADV7196
VIDEO DENC
5
VIDEO
AMPLIFIER
FILTERS
2
LOW
PASS
LOW
PASS
LOW
PASS
EMI BUS
2M*16
FLASH
7301
7302
1
4
5
6
7
8
9
2
3
I2C BUS
I2C
I2C
I2C
I2C
ANALOG VIDEO
1
VIP_FID
VIP_ICLK
CLOCK & SYNC
DIGITAL VIDEO(CCIR656)
VIDEO
FILTER
ANALOG VIDEO
AUDIO PCM I2S & SPDIF
DIGITAL VIDEO
BE_LOADN
2
SYSCLK_PROGSCAN
SYSCLK_PROGSCAN
9
9
RS232 GATEWAY TO ANALOG BOARD
44
ANA_WE
2
2
MUTEN
AD_ACLK
2
AE_ACLK
MUTEN
6
9
1
9
6
6
9
ANA_WE
VIDEO MPEG2
2
CTRL
9
9
5
5
I S AUDIO
2
AC3
ACLK_EMP
ACC_ACLK_OSC
RS232 DIVIO GATEWAY
RSTN_BE
LOAD_DVN
RSTN_DVIO
SYSCLK_VSM_5508
5
SYSCLK_EMPRESS
ACLK_EMPRESS
UART3
S2B
RESETn_BE 9
6BE_FAN
A_EMPRESS(13:0)
D_EMPRESS(15:0)
SD_CTRL
SMD(15:0)
SMA(17:0)
SM_CTRL
+5V +3V3 +12V
BE_LOADN
AE_WCLK
AE_BCLK
I S AUDIO IN
6
6
OPTION
VIP_FB
6
2
AE_DATAI
AE_WCLK
AE_BCLK
7701-7702
VS
EXTRACTOR
HS_IN
FRAME_IN
VS_IN
FRONT-END I2S
cl 26532011_025.eps
160102
TR 01059_001
170502

Table of Contents

Related product manuals