EasyManua.ls Logo

ProSoft MVI56-PDPMV1 - Page 206

ProSoft MVI56-PDPMV1
251 pages
Print Icon
To Next Page IconTo Next Page
To Next Page IconTo Next Page
To Previous Page IconTo Previous Page
To Previous Page IconTo Previous Page
Loading...
Reference MVI56-PDPMV1 ControlLogix Platform
User Manual PROFIBUS DPV1 Master
Page 206 of 251 ProSoft Technology, Inc.
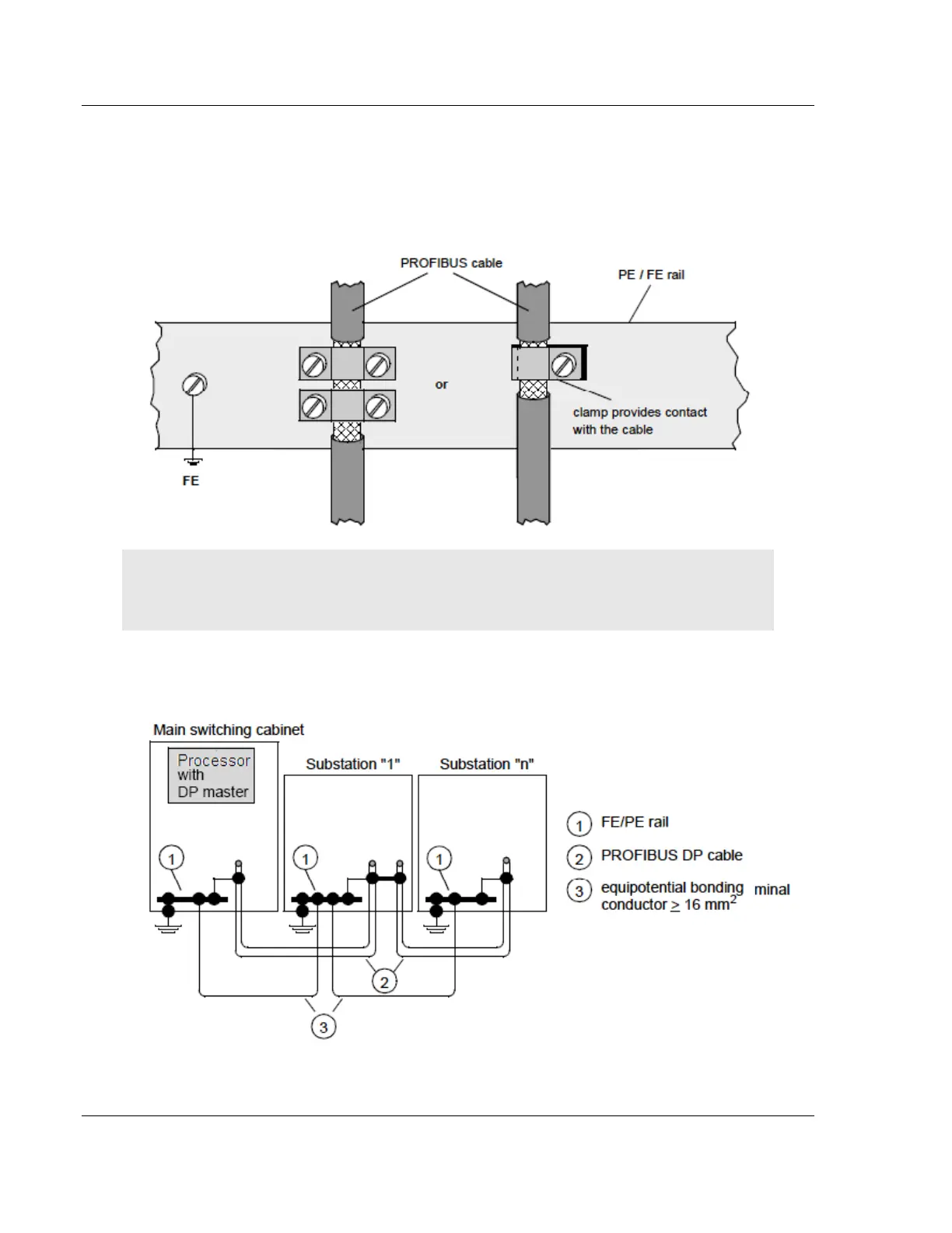
Grounding and Shielding for Systems with Equipotential Bonding
Each cable shield should be galvanically grounded with the earth using FE/PE
grounding clamps immediately after the cable has been connected to the cabinet.
This example indicates the shielding connection from the PROFIBUS cable to the
FE/PE rail.
Note: An equalization current can flow across a shield connected at both ends because of
fluctuations in ground potential. To prevent this, it is imperative that there is potential equalization
between all the attached installation components and devices.
This example indicates the system components and devices in a system with
equipotential bonding.

Table of Contents