EasyManua.ls Logo

Ricoh FT9101 - Page 608

Ricoh FT9101
635 pages
Print Icon
To Next Page IconTo Next Page
To Next Page IconTo Next Page
To Previous Page IconTo Previous Page
To Previous Page IconTo Previous Page
Loading...
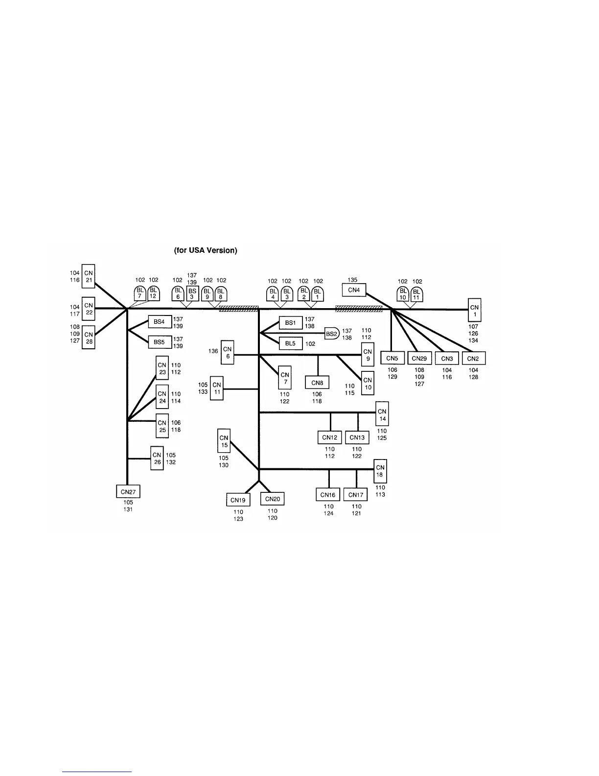
49. PAPER FEED CONTROL HARNESS (A112)
FT9101 110 Parts Location and List

Table of Contents