EasyManua.ls Logo

Ricoh FT9101 - Vertical Transport Section (A112)

Ricoh FT9101
635 pages
Print Icon
To Next Page IconTo Next Page
To Next Page IconTo Next Page
To Previous Page IconTo Previous Page
To Previous Page IconTo Previous Page
Loading...
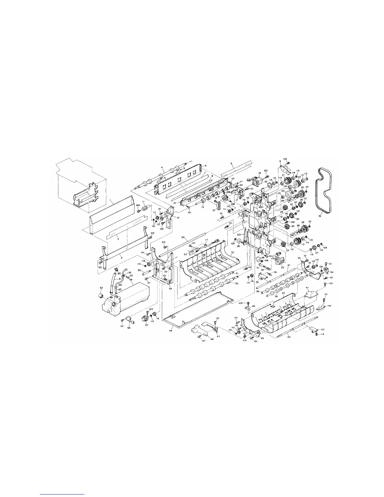
10. VERTICAL TRANSPORT SECTION 2 (A112)
FT9101 28 Parts Location and List

Table of Contents

Related product manuals