EasyManua.ls Logo

Ricoh FT9101 - Development Unit 1 (A112)

Ricoh FT9101
635 pages
Print Icon
To Next Page IconTo Next Page
To Next Page IconTo Next Page
To Previous Page IconTo Previous Page
To Previous Page IconTo Previous Page
Loading...
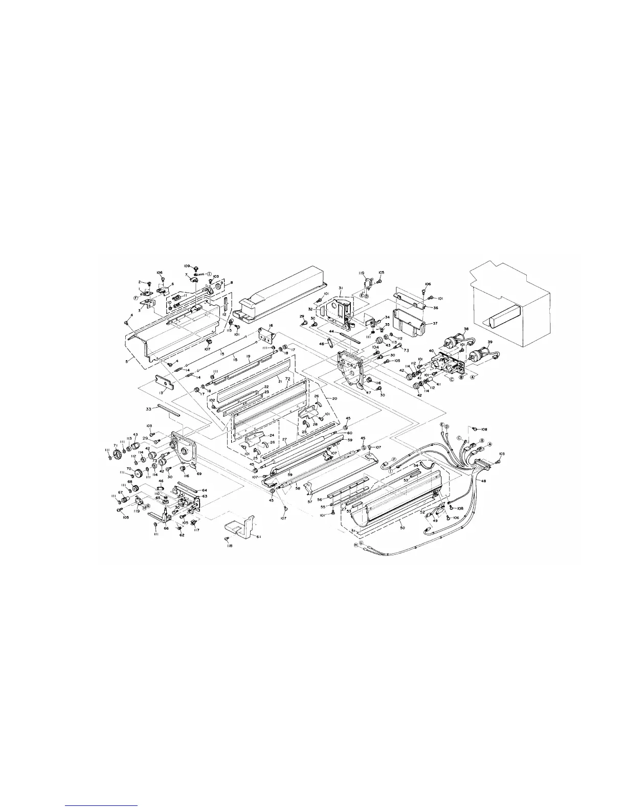
19. DEVELOPMENT UNIT 1 (A112)
FT9101 46 Parts Location and List

Table of Contents