EasyManua.ls Logo

Riele Photometer 5010 V5+ - Page 87

Riele Photometer 5010 V5+
95 pages
Print Icon
To Next Page IconTo Next Page
To Next Page IconTo Next Page
To Previous Page IconTo Previous Page
To Previous Page IconTo Previous Page
Loading...
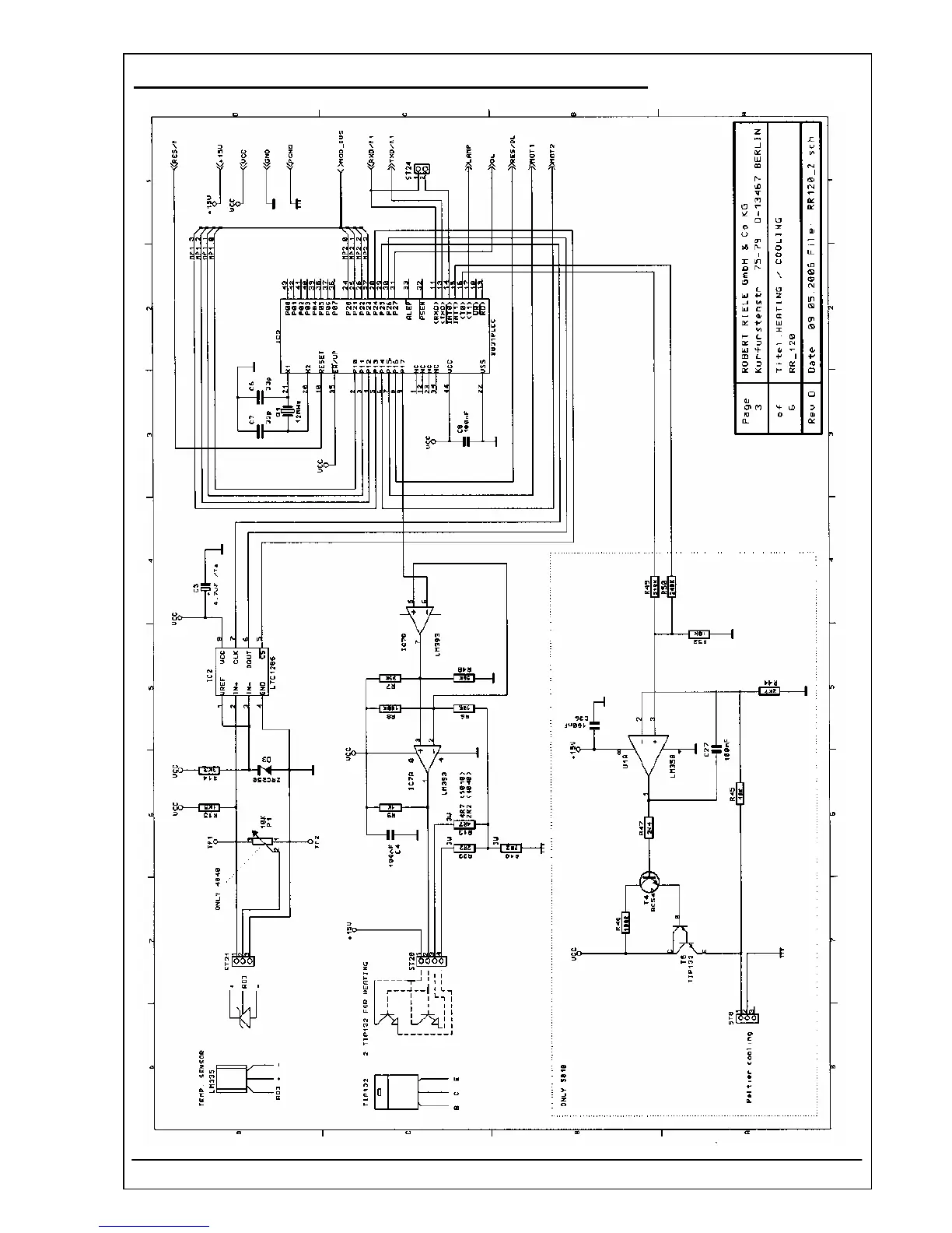
4.40 PCB RR-120 MOTHERBOARD Layout d REF 5010-120
RIELE BERLIN Photometer 5010 V5+ 4.40.23 04.08.2008

Table of Contents

Related product manuals