EasyManua.ls Logo

Robopac ROBOTAPE 50 CFA - Pneumatic Circuit Diagram

Robopac ROBOTAPE 50 CFA
75 pages
Print Icon
To Next Page IconTo Next Page
To Next Page IconTo Next Page
To Previous Page IconTo Previous Page
To Previous Page IconTo Previous Page
Loading...
ROBOTAPE 50 CFA
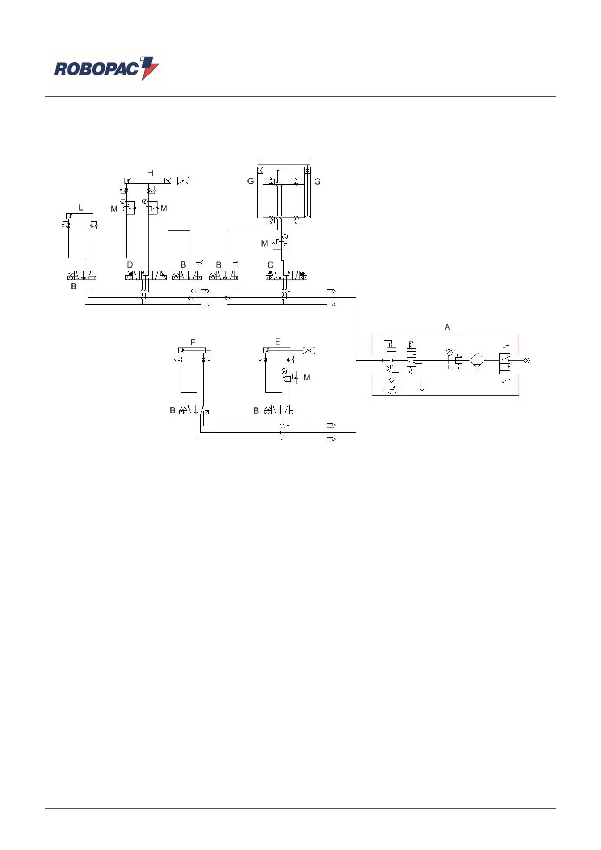
10.2. PNEUMATIC CIRCUIT DIAGRAM
Key
A) Air treatment unit
B) Solenoid valve
C) Solenoid valve
D) Solenoid valve
E) Pneumatic cylinder
F) Pneumatic cylinder
G) Pneumatic cylinder
H) Pneumatic cylinder
L) Pneumatic cylinder
M) Re
g
ulator
English
59/75

Table of Contents