EasyManua.ls Logo

Samson TROVIS 5500 - Page 42

Samson TROVIS 5500
164 pages
Print Icon
To Next Page IconTo Next Page
To Next Page IconTo Next Page
To Previous Page IconTo Previous Page
To Previous Page IconTo Previous Page
Loading...
42 EB 5573-1 EN
Systems
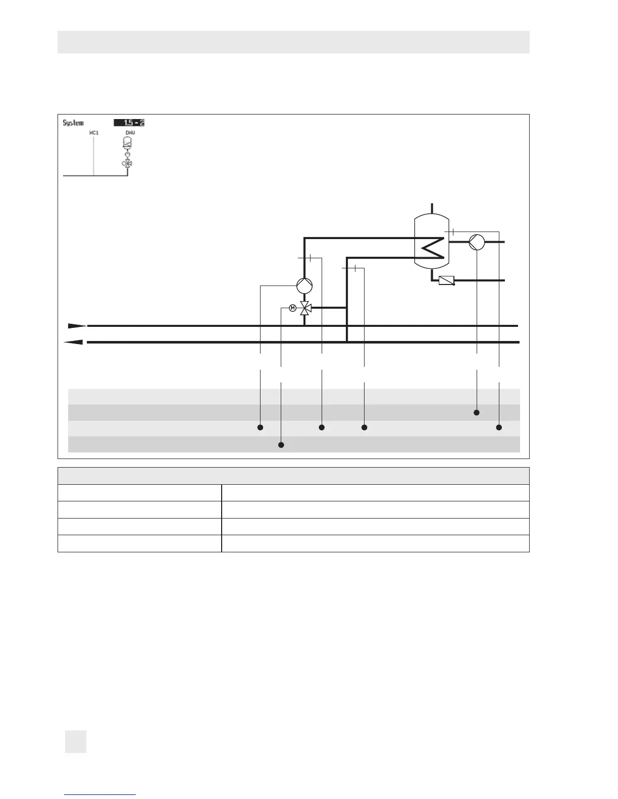
System Anl 1.5-2
BE
BA
AE
RK
WW
KW
ZP
VF1
SF1
SLP
RüF1RK1/Y1
Default settings
CO1 > F03 - 1 (with RüF1)
CO4 > F01 - 1 (with SF1)
CO4 > F02 - 0 (without SF2)
CO5 > F07 - 0 (without error indication at terminal 29)

Table of Contents