EasyManua.ls Logo

Samson TROVIS 5500 - Page 43

Samson TROVIS 5500
164 pages
Print Icon
To Next Page IconTo Next Page
To Next Page IconTo Next Page
To Previous Page IconTo Previous Page
To Previous Page IconTo Previous Page
Loading...
EB 5573-1 EN 43
Systems
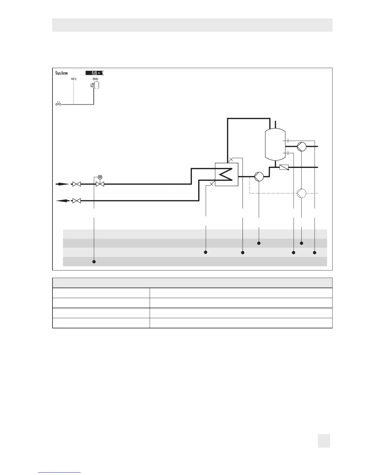
System Anl 1.6-1
BE
BA
AE
RK
KW
SF2
ZP SLP
VF1 SF1RK1/Y1
RüF1
Default settings
CO1 > F03 - 1 (with RüF1)
CO4 > F01 - 1 (with SF1)
CO4 > F02 - 1 (with SF2)
CO5 > F07 - 0 (without error indication at terminal 29)

Table of Contents